Каталог запасных частей к технике: Weichai WD615 (Евро 2). Масляные фильтры
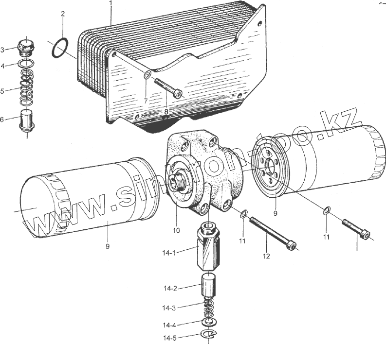
2
3
4
5
6
7
8
8
9
9
10
11
11
12
14-1
14-2
14-3
14-4
14-5
| Позиция на иллюстрации | Заводской номер детали | Название детали | |
|---|---|---|---|
| 1 | 61500010334 | Радиатор масляный | |
| 2 | 81400010032 | Кольцо прокладочное | |
| 3 | 90003962051 | Болт | |
| 4 | 612600010735 | Кольцо упорное | |
| 5 | 614070068 | Пружина | |
| 6 | 614070069 | Клапан | |
| 7 | 90003932023 | Шайба пружинная | |
| 8 | 90003802419 | Винт (под угольник) | |
| 9 | 61000070005 | Фильтр масляный | |
| 10 | 61500070051 | Кронштейн крепления фильтров | |
| 11 | 90003932023 | Шайба пружинная | |
| 12 | 90003862482 | Винт | |
| 13 | 90003862443 | Винт | |
| 14 | AZ1500070097 | Контрольный клапан в сборе | |
| 14-1 | AZ1500070096 | Корпус клапана | |
| 14-2 | 407070032 | Клапан | |
| 14-3 | 407070034 | Пружина | |
| 14-4 | 4139070059 | Шайба прижимная | |
| 14-5 | AZ90003930012 | Стопорное кольцо |
Содержащиеся в справочниках-каталогах запасные части и детали не предлагаются к продаже, а носят исключительно информационный характер