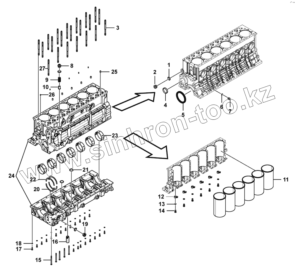
Каталог запасных частей к технике: Weichai WD10G220E21. Engine block group
1
2
3
4
5
6
7
8
9
10
11
12
13
14
15
16
17
18
19
20
21
22
23
24
25
26
27
| Позиция на иллюстрации | Заводской номер детали | Название детали | |
|---|---|---|---|
| 1 | 4110000556052 | Washer | |
| 2 | 4110000557039 | Plug | |
| 3 | 4110001048006 | Screw | |
| 4 | 4110000924057 | Plug | |
| 5 | 4110000556060 | Sealing ring | |
| 6 | 4110000846102 | Washer | |
| 7 | 4110001592010 | Plug | |
| 8 | 4110002883001 | Plug | |
| 9 | 4110000556011 | Spring | |
| 10 | 4110000556010 | Valve | |
| 11 | 4110000556161 | Cylinder liner | |
| 12 | 4110000556151 | Fuel injection nozzle | |
| 13 | 4110000924047 | Gasket | |
| 14 | 4110000924048 | Eye bolt | |
| 15 | 4110000556249 | Pressure limiting valve | |
| 16 | 4110000924050 | Screw | |
| 17 | 4110000924051 | Screw | |
| 18 | 4110000556253 | Washer | |
| 19 | 4110000924052 | Plug | |
| 20 | 4110001554019 | Thrust ring | |
| 21 | 4110000556139 | Sealing ring | |
| 22 | 4110001554020 | Thrust collar | |
| 23 | 4110000556252 | Bearing shell | |
| 24 | 4110002872001 | Cylinder block | |
| 25 | 4110000591039 | Pin | |
| 26 | 4110000924053 | Spring pin | |
| 27 | 4110001592007 | Screw |
Содержащиеся в справочниках-каталогах запасные части и детали не предлагаются к продаже, а носят исключительно информационный характер