Вернуться на главную
Поиск
Каталоги запчастей к технике
Двигатели
Weichai
WD10G220E21
Timing gear box group
Каталог запасных частей к технике: Weichai WD10G220E21. Timing gear box group
zoom-in
zoom-out
enlarge
shrink
circle-right
circle-left
file-text2
info
cart
Тип техники
Не выбрано
Легковые автомобили
Грузовые автомобили и прицепы
Автобусы
Сельхозтехника
Спецтехника
Двигатели
Мототехника
Марка
Не выбрано
BAW
Caterpillar
Cummins
DCEC
DongFeng
Doosan
FAW
Great Wall
Hitachi
HOWO
HSW
IVECO
Komatsu
LGMG
Perkins
Raywin
SDEC
Shaanxi
Valmet
Weichai
XINCHAI
YTO
Yuchai
ZF
Алтайдизель
Барнаултрансмаш
ВТЗ
ГАЗ
ЗиД
ЗМЗ
Камский автозавод
ММЗ
СМД
ТМЗ
УМЗ
ЧТЗ
ЮМЗ
ЯЗДА
ЯМЗ
Модель
Не выбрано
226B
226B
226B
226B (2010)
4M06G17
4M06G22
6M11 DHM11D0002 (2010)
6M11 DHM11D0003 (2010)
6M11 DHM16D0001
6M11 DHM16D0002
6M11 DHM16D0006
BAUDOUIN 3M10
BAUDOUIN 4M06G33
BAUDOUIN 4M06G44
BAUDOUIN 4M06G50
WD10 DHD10C0009
WD10 G220E23 (2017)
WD10G178E25 (Евро 2) (2013)
WD10G220E21 (2013)
WD10G220E21 (2017)
WD10G220E22
WD10G220E23 (Евро 2) (2013)
WD12.420 (2014)
WD615 (Евро 2) (2006)
WD615 (Евро 3) (2007)
WD615G0165, WD10G0004 (2009)
WP10 (Евро 2) (2007)
WP10 DHL10Q0032
WP10 DHL10Q0213
WP10 DHP10Q0168
WP10 DHP10Q1242
WP10.336E40
WP10336E40 (Евро 4) (2013)
WP10336N (Евро 3) (2013)
WP10340E32 (Евро 2) (2013)
WP10NG DHP10Q1667
WP12 (Евро 3) (2007)
WP12 375E40 (Евро 4) (2013)
WP12 DHP12N0219
WP12 DHP12Q0501
WP12.375E50 (2019)
WP12.400E50 (2020)
WP12NG380E51 (2020)
WP13 DHP13Q0928 (2021)
WP13 DHP13Q3390
WP2.1D18E2 (2013)
WP4.1 DH4.1K0320 (2019)
WP4.1 DHN4.1Q0006 (2020)
WP6 DHB06D0018
WP6 DHB06G0131
WP6D132E200
WP6G125E22 (2013)
WP6G140E22 (2013)
WP6G175E201 (2015)
WP7
WP7 DHP07T0067 (2023)
WP7.300E51
WP8 DHP08Q0162 (2022)
Схема
>
Не выбрано
Engine block group
612600013825 Cylinder block preassembly
Timing gear box group
End cap group
Oil-gas separator group
612600013168 Combined oil-gas separator
Dipstick group
Oil flling tube group
Flywheel housing group
Flexible shaft group
Crankshaft group
612600020718 Crankshaft assembly
Flywheel group
Crankshaft pulley group
Connecting rod and piston
61500030009 Connecting rod assembly
612600030051 Piston ring assembly
Cylinder head group
61560040040A Cylinder head subassembly
Cylinder head cover group
Valve train mechanism group
612600050085 Camshaft assembly
61560050053 Middle gear assembly
612600050177 Intake rocker arm assembly
612600050178 Exhaust rocker arm assembly
Water outlet pipe group
Thermosat group
Water pump assembly
Water pipe joint group
Fan bracket group
Tensioner and belt group
Oil cooler assembly
Oil pump group
612600070364 Oil pump gear group
Oil flter group
612600070351 Oil flter assembly
Oil suction strainer group
Injector assembly
High pressure fuel injection pipe group
612600082202 High pressure fuel injection pipe assembly
High pressure pump group
Fuel flter group
612600081333 Fuel flter
Low pressure fuel injection pipe group
Generator group
Generator bracket group
Starter motor group
Cable harness and sensor group
Air inlet pipe group
Air flter group
Exhaust manifold group
Turbocharger assembly
Turbocharger oil pipe group
Inlet pipe group
Silencer assembly
Single cylinder air compussor
612600130651 Air compussor assembly
612600130496 Air compussor group
Oil pan group
612600150391 Oil pan assembly
Engine bracket group
Packing box chassis parts group
612600083263 Fuel system protecter
Spare parts group
612600113194 Air cleaner
Parts box assembly
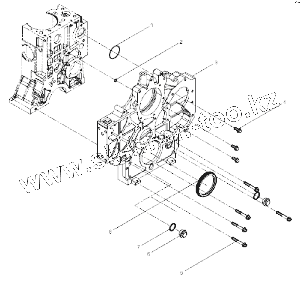
1
2
3
4
5
6
7
8
Позиция на иллюстрации
Заводской номер детали
Название детали
1
61000010134
Seal washer
2
288730061
O shaped seal washer
3
612600011783
Timing gear case
4
90011430008
Hexagon Flange Bolt
5
612600013483
Hexagon Flange Bolt
6
90003962051
Болт
7
612600010735
Кольцо упорное
8
61500010037
Установочное кольцо переднего сальника
Содержащиеся в справочниках-каталогах запасные части и детали не предлагаются к продаже, а носят исключительно информационный характер
Дополнительная информация
×
Название:
Номер:
Примечание: