Каталог запасных частей к технике: Weichai WD10G220E21. Single cylinder air compussor
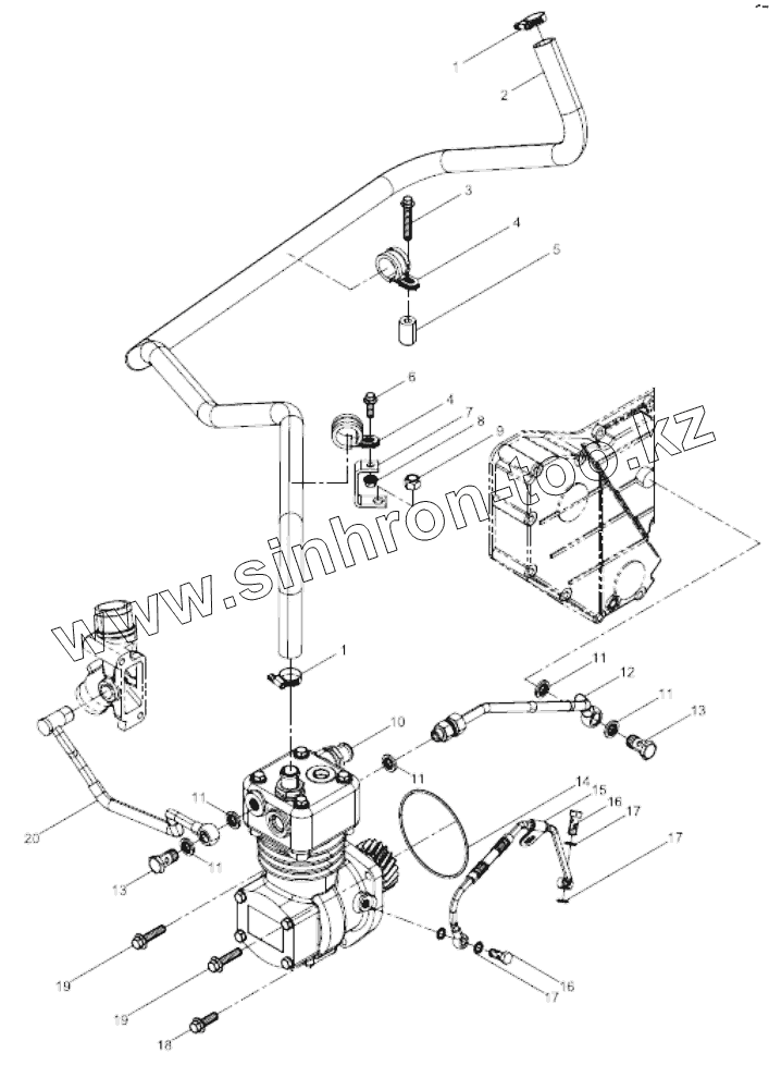
1
1
2
3
4
4
5
6
7
8
9
10
11
11
11
11
11
12
13
13
14
15
16
16
17
17
17
18
19
19
20
| Позиция на иллюстрации | Заводской номер детали | Название детали | |
|---|---|---|---|
| 1 | 90003989340 | Хомут стяжной | |
| 2 | 612600130539 | Pipe | |
| 3 | 90011430003 | Screw | |
| 4 | 612600111644 | Pipe clip assembly | |
| 5 | 612600110809 | Block | |
| 6 | 90011430023 | Screw | |
| 7 | 612600012884 | Bracket plate | |
| 8 | 612600061719 | Hexagon Flange Nut | |
| 9 | 90003888453 | Гайка заклёпная | |
| 10 | 612600130651 | Air compressor assembly | |
| 11 | 13023361 | Составная уплотняющая шайба | |
| 12 | 612600130500 | Water inlet pipe of air compressor | |
| 13 | 90003962627 | Болт полый | |
| 14 | 30800010003 | Кольцо уплотнительное | |
| 15 | 612600130326 | Oil pipe of air compressor assembly | |
| 16 | 612600130333 | Hollow bolt | |
| 17 | 612600080246 | Seal washer | |
| 18 | 90011430017S | Hexagon Flange Bolt | |
| 19 | 90011430032 | Hexagon Flange Bolt | |
| 20 | 612600130533 | Water return pipe of air compressor |
Содержащиеся в справочниках-каталогах запасные части и детали не предлагаются к продаже, а носят исключительно информационный характер