Вернуться на главную
Поиск
Каталоги запчастей к технике
Двигатели
Weichai
226B
Oil Cooler Coolant Pipe Group
Каталог запасных частей к технике: Weichai 226B. Oil Cooler Coolant Pipe Group
zoom-in
zoom-out
enlarge
shrink
circle-right
circle-left
file-text2
info
cart
Тип техники
Не выбрано
Легковые автомобили
Грузовые автомобили и прицепы
Автобусы
Сельхозтехника
Спецтехника
Двигатели
Мототехника
Марка
Не выбрано
BAW
Caterpillar
Cummins
DCEC
DongFeng
Doosan
FAW
Great Wall
Hitachi
HOWO
HSW
IVECO
Komatsu
LGMG
Perkins
Raywin
SDEC
Shaanxi
Valmet
Weichai
XINCHAI
YTO
Yuchai
ZF
Алтайдизель
Барнаултрансмаш
ВТЗ
ГАЗ
ЗиД
ЗМЗ
Камский автозавод
ММЗ
СМД
ТМЗ
УМЗ
ЧТЗ
ЮМЗ
ЯЗДА
ЯМЗ
Модель
Не выбрано
226B
226B
226B
226B (2010)
4M06G17
4M06G22
6M11 DHM11D0002 (2010)
6M11 DHM11D0003 (2010)
6M11 DHM16D0001
6M11 DHM16D0002
6M11 DHM16D0006
BAUDOUIN 3M10
BAUDOUIN 4M06G33
BAUDOUIN 4M06G44
BAUDOUIN 4M06G50
WD10 DHD10C0009
WD10 G220E23 (2017)
WD10G178E25 (Евро 2) (2013)
WD10G220E21 (2013)
WD10G220E21 (2017)
WD10G220E22
WD10G220E23 (Евро 2) (2013)
WD12.420 (2014)
WD615 (Евро 2) (2006)
WD615 (Евро 3) (2007)
WD615G0165, WD10G0004 (2009)
WP10 (Евро 2) (2007)
WP10 DHL10Q0032
WP10 DHL10Q0213
WP10 DHP10Q0168
WP10 DHP10Q1242
WP10.336E40
WP10336E40 (Евро 4) (2013)
WP10336N (Евро 3) (2013)
WP10340E32 (Евро 2) (2013)
WP10NG DHP10Q1667
WP12 (Евро 3) (2007)
WP12 375E40 (Евро 4) (2013)
WP12 DHP12N0219
WP12 DHP12Q0501
WP12.375E50 (2019)
WP12.400E50 (2020)
WP12NG380E51 (2020)
WP13 DHP13Q0928 (2021)
WP13 DHP13Q3390
WP2.1D18E2 (2013)
WP4.1 DH4.1K0320 (2019)
WP4.1 DHN4.1Q0006 (2020)
WP6 DHB06D0018
WP6 DHB06G0131
WP6D132E200
WP6G125E22 (2013)
WP6G140E22 (2013)
WP6G175E201 (2015)
WP7
WP7 DHP07T0067 (2023)
WP7.300E51
WP8 DHP08Q0162 (2022)
Схема
>
Не выбрано
Injector Return Pipe Group
Сrankcase assembly
Сrankcase assembly
Oil Seal Group
Rear Oil Seal Cover Set
Piston Nozzle Set
Flywheel Housing Group
Gear Housing Group
Front End Cover Subassemblу
Сrankshaft Group
Main Bearing Set
Thrust Bearing Set
Main Bearing Set
Thrust Plate Group
Flywheel Group
Flywheel Assembly
Piston and Connecting Rod Group
Piston and Connecting Rod Group
Piston Assembly
Connecting Rod Assembly
Connecting Rod Bearing Set
Cylinder Head Assembly
Cylinder Head Subassembly
Intake and exhaust valve set
Cylinder Head Subassembly
Rocker Arm Bracket Assembly
Rocker Arm Set
Cylinder Head Gasket
Cylinder Head Cover Group
Oil Inlet Pipe Assembly
Camshaft Assembly
Valve Train Group
Сrankshaft Pulley Group
Hub
Oil Pan Assembly
Oil Pump Group
Oil Cooler Group
Oil Cooler Coolant Pipe Group
Oil Filter Group
Filter seat assembly
Oil Filter Seat Set
Crankcase ventilation unit set
Water Pump Group
Water Pump Pulley Assembly
Intermediate plate
Radiator Group
Fan
Fuel Injection Pump Assembly
Pipe Joint
Injector assembly
Fuel Filter Group
Fuel Filter
High-pressure Fuel Pipe Assembly
High-pressure Fuel Pipe Assembly
Intake Manifold Group
Turbocharger Group
Oil pipe assembly of turbocharger
Air Filter Group
Air Filter
Exhuast mainfold Assembly
Hydraulic pump cover assembly
Starter Motor Group
Engine Bracket Group
Packing Box Chassis Parts Group
Alternator Group
Alternator Bracket Assembly
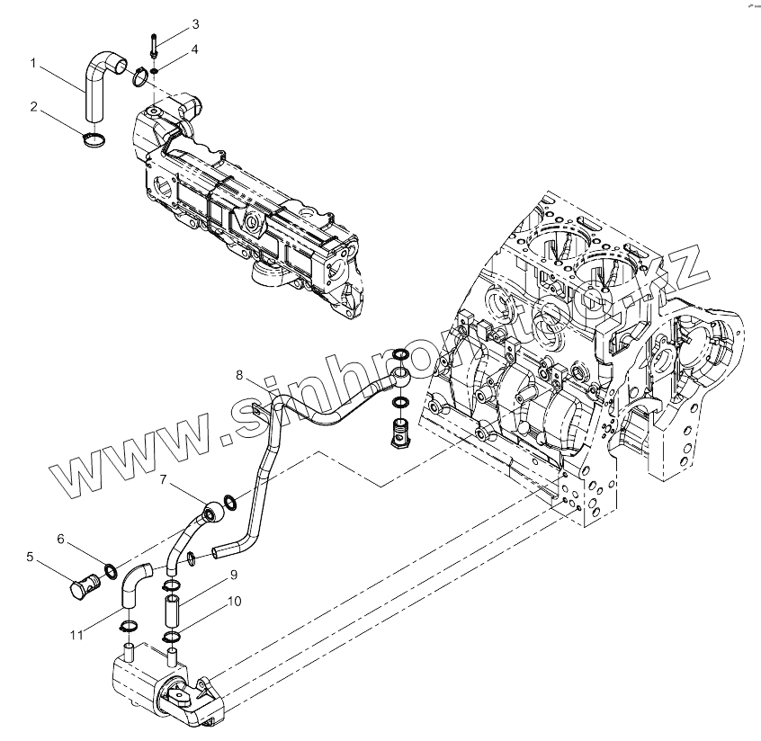
1
2
3
4
5
6
7
8
9
10
11
Позиция на иллюстрации
Заводской номер детали
Название детали
1
13020586
Резиновый рукав маленькой циркуляции
2
90003989301
Хомут шланга
3
13020659
Штуцер
4
13057039
Unit seal washer
5
01119254
Пустотелый болт
6
13023364
Составная уплотняющая шайба
7
13073102
Oil Cooler Water Pipe Assembly
8
13073106
Oil Cooler Water Pipe Assembly
9
13026006
Рукав
10
13039655
Clamp
11
13026007
Резиновый рукав
Содержащиеся в справочниках-каталогах запасные части и детали не предлагаются к продаже, а носят исключительно информационный характер
Дополнительная информация
×
Название:
Номер:
Примечание: