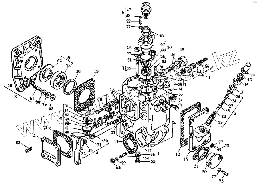
Каталог запасных частей к технике: ВТЗ Д-144. Корпус топливного насоса
1
2
3
3
4
5
6
7
8
9
10
11
12
13
14
15
16
17
18
19
20
20
21
22
23
24
25
26
27
28
29
30
31
32
33
34
35
36
37
38
39
40
41
42
43
44
45
46
47
48
49
50
51
52
53
54
55
56
57
58
59
60
61
62
63
64
65
66
67
68
69
70
71
72
73
74
75
76
77
78
79
80
| Позиция на иллюстрации | Заводской номер детали | Название детали | |
|---|---|---|---|
| 1 | 54.1111020-11 | Корпус | |
| 2 | 54.1111060-02 | Крышка | |
| 3 | 22.1110170-05 | Корректор | |
| 3 | 21.1110170 | Корректор | |
| 4 | 21.1110180-01 | Рычаг | |
| 5 | 21.1111240-05А | Кронштейн | |
| 6 | 21.1110270 | Сапун | |
| 7 | 21.1111280-07 | Втулка | |
| 8 | 54.1111380-20 | Фланец | |
| 9 | 21.1106420 | Демпфер | |
| 10 | 21.1110510-11 | Крышка | |
| 11 | 21.1106009 | Прокладка | |
| 12 | 21.1110016 | Прокладка | |
| 13 | 21.1110021 | Прокладка | |
| 14 | 21.1110022 | Колпачок | |
| 15 | 21.1110023 | Контргайка | |
| 16 | 21.1110024 | Крышка | |
| 17 | 54.1111025-10 | Корпус | |
| 18 | 21.1110042 | Штифт | |
| 19 | 21.1111076-01 | Прокладка | |
| 20 | 54.1111078 | Прокладка | |
| 20 | 54.1111078-01 | Прокладка | |
| 21 | 21.1111106 | Прокладка | |
| 22 | 21.1111126-06 | Шайба | |
| 23 | 21.1111127-07 | Винт | |
| 24 | 21.1110172 | Винт | |
| 25 | 21.1110174 | Шток | |
| 26 | 21.1110175 | Контргайка | |
| 27 | 21.1110176 | Пружина | |
| 28 | 21.1110177 | Прокладка | |
| 29 | 21.1110178 | Корпус | |
| 30 | 21.1110181 | Ось | |
| 31 | 21.1110183 | Кольцо | |
| 32 | 21.1110184 | Рычаг | |
| 33 | 21.1110188 | Пробка | |
| 34 | 21.1110192 | Втулка | |
| 35 | 21.1111207-01 | Пробка | |
| 36 | 21.1111211-02 | Прокладка | |
| 37 | 21.1110213 | Штифт | |
| 38 | 21.1111241-05 | Кронштейн | |
| 39 | 21.1111242-06 | Ось | |
| 40 | 21.1111243-05А | Шайба | |
| 41 | 21.1111244А | Шестерня | |
| 42 | 21.1111245 | Штифт | |
| 43 | 21.1111246 | Шпилька | |
| 44 | 21.1111247 | Шайба | |
| 45 | 21.1111248 | Гайка | |
| 46 | 21.1111249-01 | Прокладка | |
| 47 | 21.1110271 | Корпус | |
| 48 | 21.1110272 | Набивка | |
| 49 | 21.1111282 | Кольцо | |
| 50 | 54.1111301 | Крышка | |
| 51 | 21.1111304 | Прокладка | |
| 52 | 21.1110328 | Шайба | |
| 53 | 21.1111349 | Винт | |
| 54 | 21.1111355 | Шпилька | |
| 55 | 21.1111356 | Шпилька | |
| 56 | 21.1111359 | Фиксатор | |
| 57 | 21.1110361 | Винт | |
| 58 | 21.1111361 | Гайка | |
| 59 | 21.1110363 | Колпачок | |
| 60 | 54.1111381-20 | Фланец | |
| 61 | 21.1111383 | Шпилька | |
| 62 | 54.1111388 | Конус опорный | |
| 63 | 21.1111389 | Гайка | |
| 64 | 21.1106424 | Корпус | |
| 65 | 21.1106425 | Поршень | |
| 66 | 21.1106427 | Пружина | |
| 67 | 21.1110504-11 | Крышка | |
| 68 | 21.1110512 | Лимб | |
| 69 | 21.1110513 | Прокладка | |
| 70 | М6.6gх12.88.35.019 | Болт | |
| 71 | М6.6gх14.88.35.019 | Болт | |
| 72 | А.М6.8gх18.88.016 | Винт | |
| 73 | М6.8.016 | Гайка | |
| 74 | 14.10кп | Заглушка | |
| 75 | 1.1-20х40-4 | Манжета | |
| 76 | 29 | Подшипник | |
| 77 | 6.65Г.05 | Шайба | |
| 78 | 6.04.016 | Шайба | |
| 79 | 8.65Г.05 | Шайба | |
| 80 | 8х2,5.06.016 | Шайба |
Содержащиеся в справочниках-каталогах запасные части и детали не предлагаются к продаже, а носят исключительно информационный характер