Каталог запасных частей к технике: ВТЗ Д-144. Фильтр масляный А54.40.000-01-03
1
2
2
3
3
4
4
5
5
6
6
7
7
8
8
9
9
10
11
12
13
14
15
16
17
18
19
20
21
22
23
24
25
26
27
28
29
29
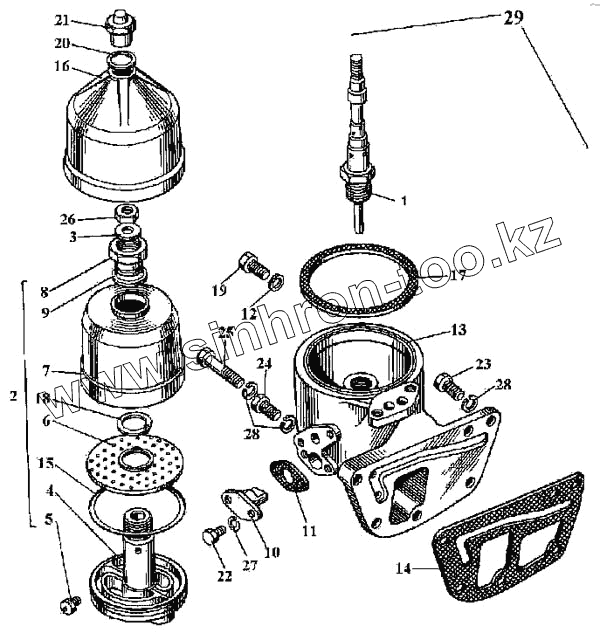
| Позиция на иллюстрации | Заводской номер детали | Название детали | |
|---|---|---|---|
| 1 | Д37А-1407550Г | Ось | |
| 2 | А54.11.000-08 | Ротор | |
| 2 | Д37А-1407560В2 | Ротор | |
| 3 | А54.10.007 | Шайба упорная | |
| 3 | Д37А-1407607В | Шайба упорная | |
| 4 | А54.11.101-08 | Основание ротора | |
| 4 | Д144-1407572 | Основание ротора | |
| 5 | А54.11.103 | Сопло | |
| 5 | Д37А-1407588Б2 | Сопло | |
| 6 | А54.11.105 | Маслоотражатель | |
| 6 | Д144-1407567 | Маслоотражатель | |
| 7 | А54.11.201-08 | Крышка | |
| 7 | Д37А-1407592Б2 | Крышка | |
| 8 | А54.11.203 | Гайка | |
| 8 | Д37А-1407598Б2 | Гайка | |
| 9 | А54.11.202 | Прокладка | |
| 9 | Д37А-1407599Б2 | Прокладка | |
| 10 | Д37М-1407252А | Переключатель | |
| 11 | Д37А-1407254-03 | Прокладка | |
| 12 | Д30-1104352 | Прокладка | |
| 13 | Д37М-1407525Г | Корпус | |
| 14 | Д37А-1407548А1 | Прокладка | |
| 15 | Д37М-1407597 | Кольцо | |
| 16 | Д37М-1407615В-02 | Колпак | |
| 17 | Д37М-1407617Г-03 | Кольцо | |
| 18 | Д37М-1407705Б | Кольцо | |
| 19 | Д37М-1407864 | Болт | |
| 20 | 14-1059 | Прокладка | |
| 21 | 14-1060-1 | Гайка | |
| 22 | М6.6gх14.88.35.019 | Болт | |
| 23 | 4М10.6вх25.88.35.019 | Болт | |
| 24 | 4М10.6gх35.88.35.019 | Болт | |
| 25 | 4М10.6gх55.88.35.019 | Болт | |
| 26 | М12х1,25.6Н.6.019 | Гайка | |
| 27 | 6Т.65Г.05 | Шайба | |
| 28 | 10.0Т.65Г.06 | Шайба | |
| 29 | А54.40.000-01-03 | Фильтр масляный | |
| 29 | Д37М-1407500А2-03 | Фильтр масляный |
Содержащиеся в справочниках-каталогах запасные части и детали не предлагаются к продаже, а носят исключительно информационный характер