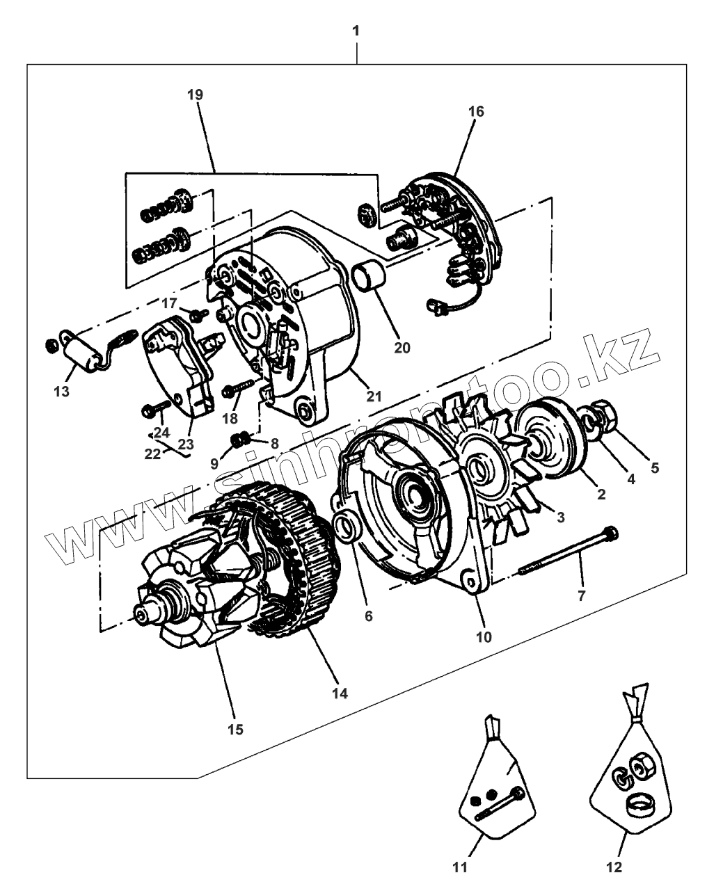
Каталог запасных частей к технике: Valmet 612 DSJL. ALTERNATOR

zoom-in zoom-out enlarge shrink circle-right circle-left file-text2 info cart
1
2
3
4
5
6
7
8
9
10
11
12
13
14
15
16
17
18
19
20
21
22
23
24
Позиция на иллюстрации Заводской номер детали Название детали
1 V835339303 Alternator
2 V836340015 Pulley
3 V835339376 Fan
4 LockWasher Lock Washer
5 Nut Nut
6 Spacer Spacer
7 Bolt Kit, Bolt
8 LockWasher Lock Washer
9 Nut Nut
10 V835339381 Bracket
11 V835339380 Kit, Bolt
12 V835339379 Parts Pack
13 V835339391 Capacitor
14 V835339304 Alternator
15 V835339390 Rotor
16 V835339384 Rectifier
17 Screw Screw
18 Screw Screw
19 V835339385 Kit, Terminal
20 V835339386 Bearing
21 Bracket Bracket
22 V835339388 Regulator
23 Regulator Regulator
24 Screw Screw
Содержащиеся в справочниках-каталогах запасные части и детали не предлагаются к продаже, а носят исключительно информационный характер