Каталог запасных частей к технике: Valmet 611 DSL. WATER PUMP
1
2
3
4
5
6
7
8
9
10
11
12
13
14
15
16
17
18
19
20
21
22
23
24
25
26
27
28
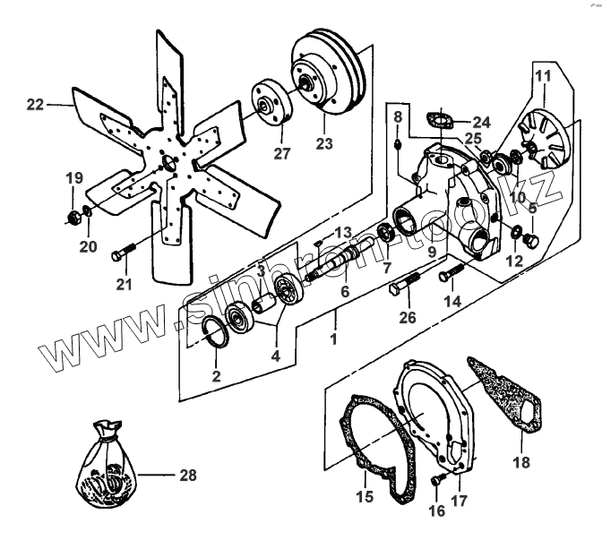
| Позиция на иллюстрации | Заводской номер детали | Название детали | |
|---|---|---|---|
| 1 | V836352359 | Water Pump | |
| 2 | V617330052 | Circlip | |
| 3 | V836119270 | Sleeve | |
| 4 | GT1159 | Bear. 6304 Z | |
| 5 | V836019756 | Plug | |
| 6 | V836119259 | Shaft | |
| 7 | V614102636 | Gasket | |
| 8 | V644441006 | Greaser | |
| 9 | V836336048 | Housing | |
| 10 | V835331202 | Seal | |
| 11 | V836336047 | Impeller | |
| 12 | V615881822 | Seal | |
| 13 | V603305540 | Key | |
| 14 | V529801430 | Screw | |
| 15 | V836322188 | Gasket | |
| 16 | V581804620 | Screw | |
| 17 | V836322187 | Cover | |
| 18 | V836322189 | Gasket | |
| 19 | V510611402 | Nut | |
| 20 | V836122017 | Washer | |
| 21 | V529801460 | Screw | |
| 22 | V836316108 | Fan | |
| 23 | V836324268 | Pulley | |
| 24 | V836322190 | Gasket | |
| 25 | V504800800 | Nut | |
| 26 | V528801460 | Screw | |
| 27 | V836336900 | Spacer | |
| 28 | V836316441 | Kit, Repair |
Содержащиеся в справочниках-каталогах запасные части и детали не предлагаются к продаже, а носят исключительно информационный характер