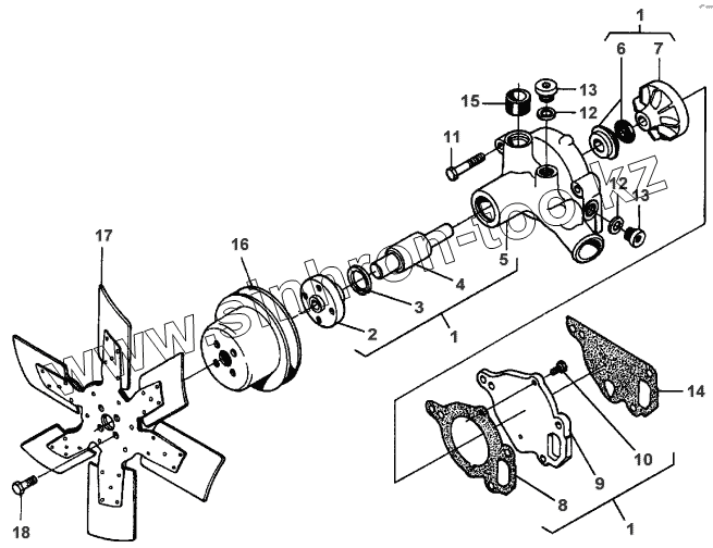
Каталог запасных частей к технике: Valmet 311 DSL. WATER PUMP
1
1
1
2
3
4
5
6
7
8
9
10
11
12
12
13
13
14
15
16
17
18
| Позиция на иллюстрации | Заводской номер детали | Название детали | |
|---|---|---|---|
| 1 | V836136220 | Water Pump | |
| 2 | V836129680 | Hub 1 | |
| 3 | V617330038 | Circlip 1 | |
| 4 | V835330994 | Shaft 1 | |
| 5 | V836129916 | Housing 1 | |
| 6 | V835331202 | Seal | |
| 7 | V836120933 | Impeller 1 | |
| 8 | V836120128 | Gasket 1 | |
| 9 | V836120109 | Plate 1 | |
| 10 | V528801062 | Screw | |
| 11 | V529801460 | Screw | |
| 12 | V615881822 | Seal | |
| 13 | V640325018 | Plug | |
| 14 | V836120129 | Gasket | |
| 15 | V836119833 | Seal | |
| 16 | V836136210 | Pulley | |
| 17 | V836117304 | Fan | |
| 18 | V528801380 | Screw | |
| 19 | V835331372 | Kit, Repair |
Содержащиеся в справочниках-каталогах запасные части и детали не предлагаются к продаже, а носят исключительно информационный характер