Каталог запасных частей к технике: УМЗ-А275. Привод масляного насоса
1
1
2
2
3
4
5
6
7
8
9
10
11
12
12
13
14
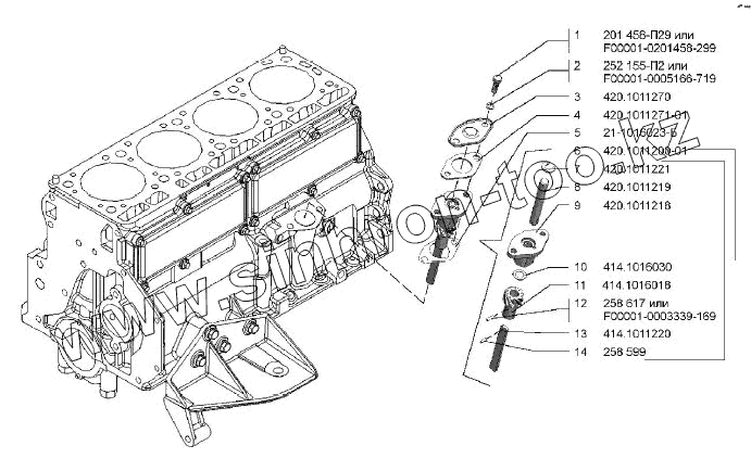
| Позиция на иллюстрации | Заводской номер детали | Название детали | |
|---|---|---|---|
| 1 | F00001-0201458-299 | Болт М8-6gх25 | |
| 1 | 201458-П29 | Болт М8-6gх25 | |
| 2 | 252155-П2 | Шайба 8Л пружинная | |
| 2 | F00001-0005166-719 | Шайба 8 | |
| 3 | 420.1011270 | Крышка привода масляного насоса | |
| 4 | 420.1011271-01 | Прокладка крышки привода масляного насоса | |
| 5 | 21-1016023-Б | Пpокладка корпуса пpивода pаспpеделителя | |
| 6 | 420.1011200-01 | Привод масляного насоса в сборе | |
| 7 | 420.1011221 | Шайба привода масляного насоса | |
| 8 | 420.1011219 | Валик пpивода масляного насоса | |
| 9 | 420.1011218 | Коpпус пpивода масляного насоса | |
| 10 | 414.1016030 | Шайба 13 | |
| 11 | 414.1016018 | Шестерня привода распределителя | |
| 12 | 258617 | Штифт 4х25 | |
| 12 | F00001-0003339-169 | Штифт 4х25 | |
| 13 | 414.1011220 | Пластина привода масляного насоса | |
| 14 | 258599 | Штифт 3х12 |
Содержащиеся в справочниках-каталогах запасные части и детали не предлагаются к продаже, а носят исключительно информационный характер