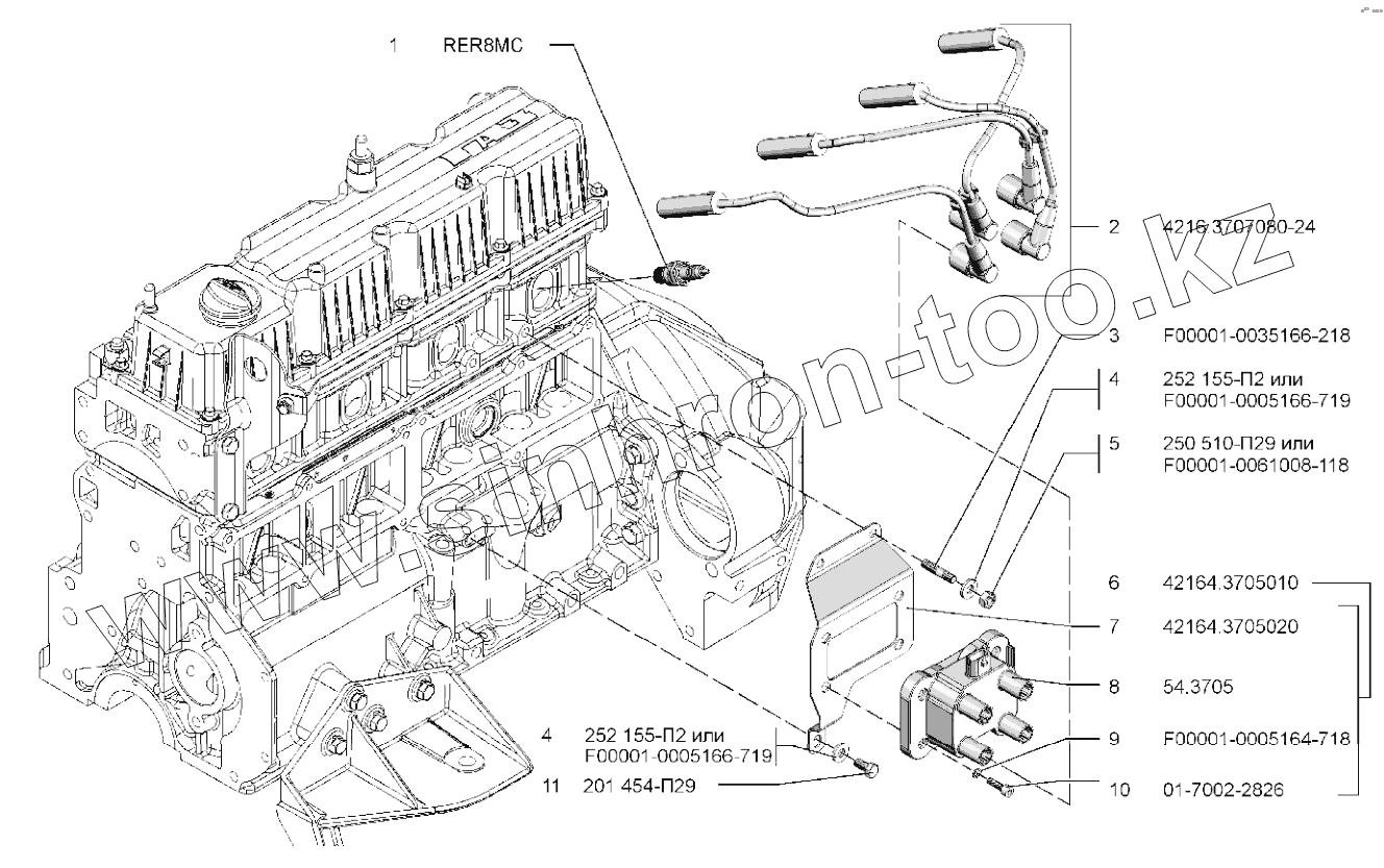
Каталог запасных частей к технике: УМЗ-А274. Свечи, катушка зажигания, жгут высоковольтных проводов
1
2
3
4
4
4
4
5
5
6
7
8
9
10
11
| Позиция на иллюстрации | Заводской номер детали | Название детали | |
|---|---|---|---|
| 1 | RER8MC | Свеча зажигания | |
| 2 | 4216.3707080-24 | Жгут высоковольтных проводов | |
| 3 | F00001-0035166-218 | Шпилька М8х16 | |
| 4 | 252 155-П2 | Шайба | |
| 4 | F00001-0005166-719 | Шайба 8 | |
| 5 | 250 510-П29 | Гайка | |
| 5 | F00001-0061008-118 | Гайка М8-6Н | |
| 6 | 42164.3705010 | Кронштейн с катушкой | |
| 7 | 42164.3705020 | Кронштейн крепления катушки зажигания с гайками | |
| 8 | 54.3705 | Катушка зажигания | |
| 9 | F00001-0005164-718 | Шайба 6 | |
| 10 | 01-7002-2826 | Винт М6-6gх25 | |
| 11 | 201 454-П29 | Болт |
Содержащиеся в справочниках-каталогах запасные части и детали не предлагаются к продаже, а носят исключительно информационный характер