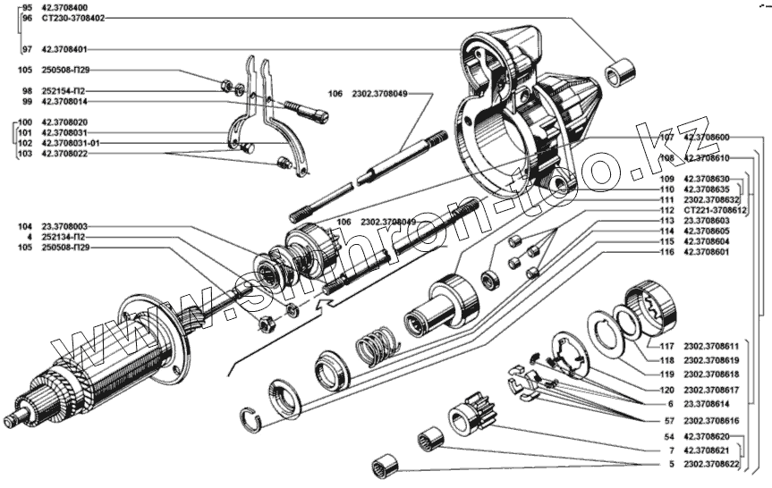
Каталог запасных частей к технике: УМЗ-421. Стартер
4
5
6
7
54
57
95
96
97
98
99
100
101
102
103
104
105
105
106
106
107
108
109
110
111
112
113
114
115
116
117
118
119
120
| Позиция на иллюстрации | Заводской номер детали | Название детали | |
|---|---|---|---|
| 4 | 252134-П2 | Шайба 6 пружинная | |
| 5 | 2302.3708622 | Вкладыш | |
| 6 | 23.3708614 | Пружина | |
| 7 | 42.3708621 | Шестерня | |
| 54 | 42.3708620 | Шестерня | |
| 57 | 2302.3708616 | Колодка | |
| 95 | 42.3708400 | Крышка со стороны привода в сборе | |
| 96 | СТ230-3708402 | Вкладыш | |
| 97 | 42.3708401 | Крышка со стороны привода | |
| 98 | 252154-П2 | Шайба 6Л пружинная | |
| 99 | 42.3708014 | Ось рычага | |
| 100 | 42.3708020 | Рычаг включения привода в сборе | |
| 101 | 42.3708031 | Пластина рычага левая | |
| 102 | 42.3708031-01 | Пластина рычага правая | |
| 103 | 42.3708022 | Палец | |
| 104 | 23.3708003 | Шпилька стяжная | |
| 105 | 250508-П29 | Гайка М6 | |
| 106 | 2302.3708049 | Трубка изоляционная | |
| 107 | 42.3708600 | Привод в сборе | |
| 108 | 42.3708610 | Муфта привода в сборе | |
| 109 | 42.3708630 | Обойма с втулкой направляющей и вкладышем в сборе | |
| 110 | 42.3708635 | Обойма с вкладышем в сборе | |
| 111 | 2302.3708632 | Вкладыш | |
| 112 | СТ221-3708612 | Ролик | |
| 113 | 23.3708603 | Пружина | |
| 114 | 42.3708605 | Кольцо поводковое | |
| 115 | 42.3708604 | Кольцо упорное | |
| 116 | 42.3708601 | Кольцо запорное | |
| 117 | 2302.3708611 | Крышка муфты | |
| 118 | 2302.3708619 | Кольцо | |
| 119 | 2302.3708618 | Шайба специальная | |
| 120 | 2302.3708617 | Пластина |
Содержащиеся в справочниках-каталогах запасные части и детали не предлагаются к продаже, а носят исключительно информационный характер