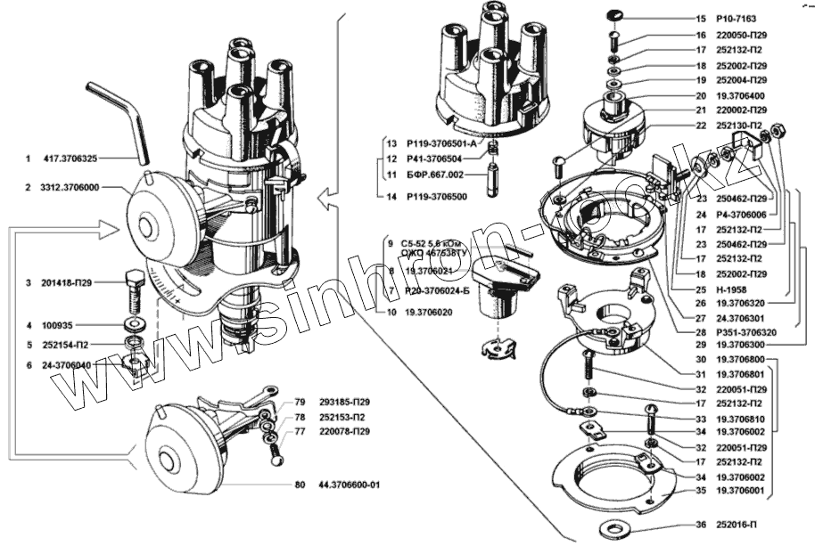
Каталог запасных частей к технике: УМЗ-421. Распределитель зажигания
1
2
3
4
5
6
7
8
9
10
11
12
13
14
15
16
17
17
17
17
17
18
18
19
20
21
22
23
23
24
25
26
27
28
29
30
31
32
32
33
34
34
35
36
77
78
79
80
| Позиция на иллюстрации | Заводской номер детали | Название детали | |
|---|---|---|---|
| 1 | 417.3706325 | Шланг вакуумного регулятора | |
| 2 | 3312.3706000 | Датчик-распределитель в сборе | |
| 3 | 201418-П29 | Болт М6х16 | |
| 4 | 100935 | Шайба 6 | |
| 5 | 252154-П2 | Шайба 6Л пружинная | |
| 6 | 24-3706040 | Указатель октан-корректора | |
| 7 | Р20-3706024-Б | Пружина бегунка | |
| 8 | 19.3706021 | Бегунок | |
| 9 | С5-525,6кОмОЖО467538ТУ | Резистор | |
| 10 | 19.3706020 | Бегунок в сборе | |
| 11 | БФР.667.002 | Уголек комбинированный | |
| 12 | Р41-3706504 | Пружина контактная | |
| 13 | Р119-3706501-А | Крышка распределителя | |
| 14 | Р119-3706500 | Крышка в сборе | |
| 15 | Р10-7163 | Сальник | |
| 16 | 220050-П29 | Винт М4х8 | |
| 17 | 252132-П2 | Шайба 4 пружинная | |
| 18 | 252002-П29 | Шайба 4 | |
| 19 | 252004-П29 | Шайба 6 | |
| 20 | 19.3706400 | Ротор в сборе | |
| 21 | 220002-П29 | Винт М3х7 | |
| 22 | 252130-П2 | Шайба 3 пружинная | |
| 23 | 250462-П29 | Гайка М4 | |
| 24 | Р-3706006 | Скоба | |
| 25 | Н-1958 | Болт специальный | |
| 26 | 19.3706320 | Вывод с изолятором в сборе | |
| 27 | 24.3706301 | Пластина статора верхняя | |
| 28 | Р351-3706320 | Катушка с каркасом в сборе | |
| 29 | 19.3706300 | Статор в сборе | |
| 30 | 19.3706800 | Опора статора в сборе | |
| 31 | 19.3706801 | Опора статора | |
| 32 | 220051-П29 | Винт М4х10 | |
| 33 | 19.3706810 | Вывод в сборе | |
| 34 | 19.3706002 | Держатель подшипника | |
| 35 | 19.3706001 | Обойма подшипника | |
| 36 | 252016-П | Шайба 14 | |
| 77 | 220078-П29 | Винт М5х12 | |
| 78 | 252153-П2 | Шайба 5 пружинная | |
| 79 | 293185-П29 | Шайба 5 | |
| 80 | 44.3706600-01 | Регулятор вакуумный в сборе |
Содержащиеся в справочниках-каталогах запасные части и детали не предлагаются к продаже, а носят исключительно информационный характер