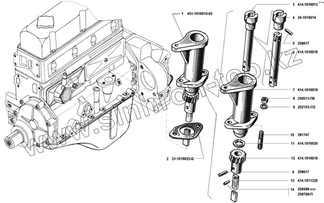
Каталог запасных частей к технике: УМЗ-421. Привод распределителя зажигания и масляного насоса
1
2
3
4
5
5
6
7
8
9
10
11
12
13
14
| Позиция на иллюстрации | Заводской номер детали | Название детали | |
|---|---|---|---|
| 1 | 451-1016010-03 | Привод распределителя в сборе | |
| 2 | 21-1016023-Б | Пpокладка корпуса пpивода pаспpеделителя | |
| 3 | 414.1016012 | Валик привода распределителя с втулкой упорной в сборе | |
| 4 | 24-1016014 | Втулка упорная валика привода распределителя | |
| 5 | 258617 | Штифт 4х25 | |
| 6 | 414.1016016 | Валик привода распределителя | |
| 7 | 414.1016019 | Корпус привода распределителя | |
| 8 | 250511-П8 | Гайка М8х1 | |
| 9 | 252155-П2 | Шайба 8Л пружинная | |
| 10 | 291747 | Шпилька М8х1х22 | |
| 11 | 414.1016030 | Шайба 13 | |
| 12 | 414.1016018 | Шестерня привода распределителя | |
| 13 | 414.1011220 | Пластина привода масляного насоса | |
| 14 | 258599 | Штифт 3х12 |
Содержащиеся в справочниках-каталогах запасные части и детали не предлагаются к продаже, а носят исключительно информационный характер