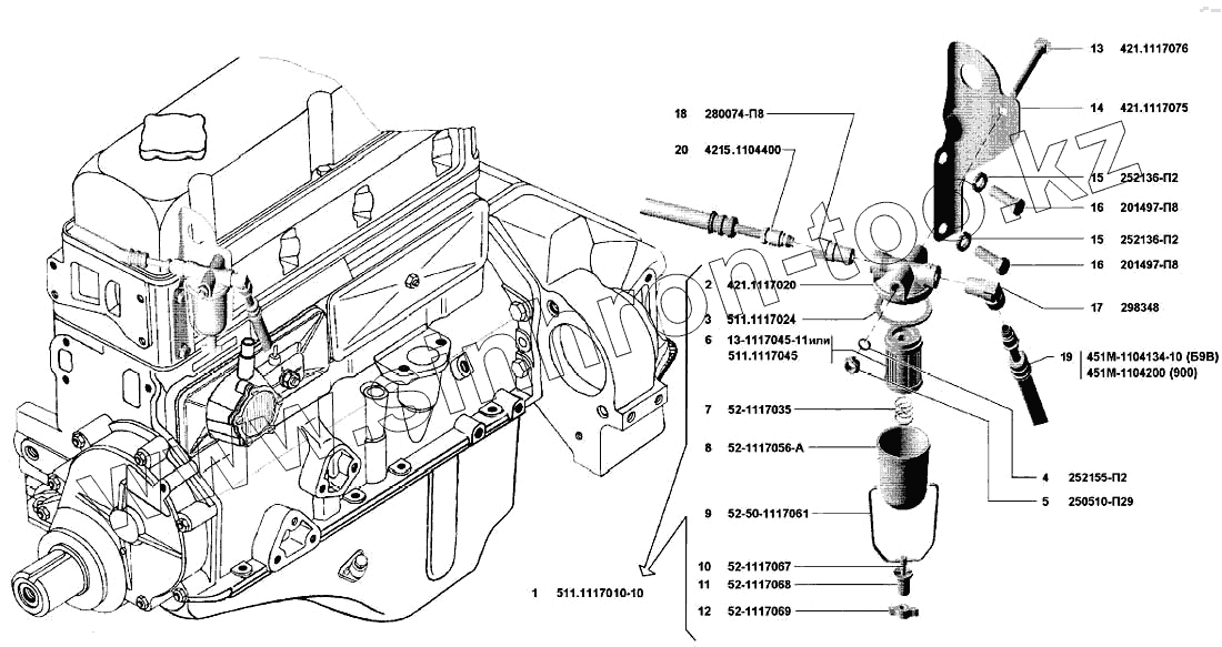
Каталог запасных частей к технике: УМЗ-4215. Трубопроводы топливные, фильтр тонкой очистки топлива
1
2
3
4
5
6
6
7
8
9
10
11
12
13
14
15
15
16
16
17
18
19
19
20
| Позиция на иллюстрации | Заводской номер детали | Название детали | |
|---|---|---|---|
| 1 | 511.1117010-10 | Фильтр тонкой очистки топлива в сборе | |
| 2 | 421.1117020 | Корпус фильтра тонкой очистки топлива | |
| 3 | 511.1117024 | Кольцо корпуса фильтра тонкой очистки топлива | |
| 4 | 252155-П2 | Шайба 8Л пружинная | |
| 5 | 250510-П29 | Гайка М8-6Н | |
| 6 | 13-1117045-11 | Элемент фильтрующий | |
| 6 | 13-1117045-11 | Элемент фильтрующий | |
| 7 | 52-1117035 | Пружина фильтрующего элемента фильтра тонкой очистки топлива | |
| 8 | 52-1117056-А | Стакан-отстойник фильтра тонкой очистки топлива | |
| 9 | 52-50-1117061 | Коромысло стакана фильтра тонкой очистки топлива с винтом в сборе | |
| 10 | 52-1117067 | Винт коромысла | |
| 11 | 52-1117068 | Держатель стакана фильтра тонкой очистки топлива | |
| 12 | 52-1117069 | Барашек винта коромысла фильтра тонкой очистки топлива | |
| 13 | 421.1117076 | Болт М8х70 | |
| 14 | 421.1117075 | Кронштейн крепления фильтра тонкой очистки топлива в сборе | |
| 15 | 252136-П2 | Шайба 10 ОТ пружинная | |
| 16 | 201497-П8 | Болт М10-6gх25 крепления кронштейна фильтра тонкой очистки топлива | |
| 17 | 298348 | Штуцер угловой | |
| 18 | 280074-П | Штуцер прямой | |
| 19 | 451М-1104200 | Шланг бензинопровода с трубкой от бензонасоса к фильтру тонкой очистки топлива (900) | |
| 19 | 451М-1104134-10 | Шланг бензинопровода с трубкой от бензонасоса к фильтру тонкой очистки топлива (Б9) | |
| 20 | 4215.1104400 | Шланг бензинопровода с трубкой |
Содержащиеся в справочниках-каталогах запасные части и детали не предлагаются к продаже, а носят исключительно информационный характер