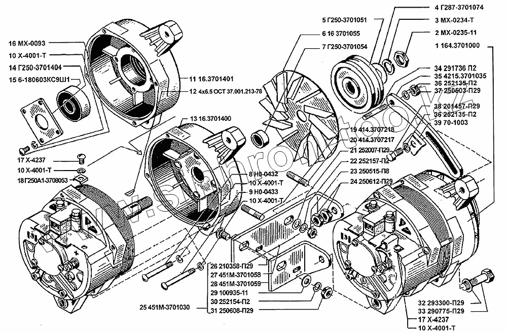
Каталог запасных частей к технике: УМЗ-4215. Генератор
1
1
2
3
4
5
6
7
8
9
10
10
10
10
10
11
12
13
14
15
16
17
17
18
19
20
21
22
23
24
25
26
27
28
29
30
31
32
33
34
35
36
36
37
38
39
| Позиция на иллюстрации | Заводской номер детали | Название детали | |
|---|---|---|---|
| 1 | 164.3701000 | Генератор в сборе | |
| 1 | 164.3701000 | Генератор в сборе | |
| 2 | МХ-0235-11 | Гайка | |
| 3 | МХ-0234-Т | Шайба 16 пружинная | |
| 4 | Г287-3701074 | Шайба коническая | |
| 5 | Г250-370105 | Шкив | |
| 6 | 16.3701055 | Вентилятор | |
| 7 | Г250-3701054 | Втулка | |
| 8 | НО-0432 | Винт специальный | |
| 9 | НО-0432 | Винт специальный | |
| 10 | Х-4001-Т | Шайба 5 пружинная | |
| 11 | 16.3701401 | Крышка со стороны привода | |
| 12 | 4х6,5 ОСТ 37.001.213 | Шпонка 4х6,5 | |
| 13 | 16.3701400 | Крышка со стороны привода в сборе | |
| 14 | Г250-3701404 | Крышка подшипника | |
| 15 | 6-180603КС9Ш1 | Подшипник ГОСТ 8 | |
| 16 | МХ-0093 | Винт | |
| 17 | МХ-0093 | Винт | |
| 18 | Г250А1-3708053 | Скоба | |
| 19 | 4215.3707218 | Шпилька М12х35 | |
| 20 | 417.3707217 | Шпилька М12х25 | |
| 21 | 252007-П29 | Шайба 12 | |
| 22 | 252157-П2 | Шайба 12 пружинная | |
| 23 | 250515-П8 | Гайка М12х1,25 | |
| 24 | 250612-П29 | Гайка М10 | |
| 25 | 451М-3701030 | Кронштейн крепления генератора в сборе | |
| 26 | 210358-П29 | Болт М6х20 | |
| 27 | 451М-3701058 | Кронштейн крепления генератора передний | |
| 28 | 451М-3701059 | Кронштейн крепления генератора задний | |
| 29 | 100935-11 | Шайба 6 | |
| 30 | 252154-П2 | Шайба 6Л пружинная | |
| 31 | 250508-П29 | Гайка М6 | |
| 32 | 293300-П29 | Шайба 10 | |
| 33 | 290775-П29 | Болт М10х40 | |
| 34 | 291736-П2 | Шпилька М8х1х16 | |
| 35 | 4215.3701035 | Планка установочная генератора | |
| 36 | 252135-П2 | Шайба 8 пружинная | |
| 37 | 250503-П29 | Гайка М8х1 | |
| 38 | 201457-П29 | Болт М8х22 | |
| 39 | 70-10003 | Скоба прижимная | |
| 40 | К73-58-1хЗ | Конденсатор 2,2 мкф±20% 100В |
Содержащиеся в справочниках-каталогах запасные части и детали не предлагаются к продаже, а носят исключительно информационный характер