Вернуться на главную
Поиск
Каталоги запчастей к технике
Двигатели
УМЗ
УМЗ-4213 (Евро 3)
Генератор
Каталог запасных частей к технике: УМЗ-4213 (Евро 3). Генератор
zoom-in
zoom-out
enlarge
shrink
circle-right
circle-left
file-text2
info
cart
Тип техники
Не выбрано
Легковые автомобили
Грузовые автомобили и прицепы
Автобусы
Сельхозтехника
Спецтехника
Двигатели
Мототехника
Марка
Не выбрано
BAW
Caterpillar
Cummins
DCEC
DongFeng
Doosan
FAW
Great Wall
Hitachi
HOWO
HSW
IVECO
Komatsu
LGMG
Perkins
Raywin
SDEC
Shaanxi
Valmet
Weichai
XINCHAI
YTO
Yuchai
ZF
Алтайдизель
Барнаултрансмаш
ВТЗ
ГАЗ
ЗиД
ЗМЗ
Камский автозавод
ММЗ
СМД
ТМЗ
УМЗ
ЧТЗ
ЮМЗ
ЯЗДА
ЯМЗ
Модель
Не выбрано
УМЗ-421 (2002)
УМЗ-4213 (Евро 3) (2008)
УМЗ-4213, 420 (2007)
УМЗ-4215 (2002)
УМЗ-4216 (Евро 3) (2008)
УМЗ-4216-70 (Евро 3) (2011)
УМЗ-4216-80 (Евро 3) (2012)
УМЗ-42164 (Евро 4) (2013)
УМЗ-А274
УМЗ-А274 (2012)
УМЗ-А275
Схема
>
Не выбрано
Подвеска двигателя
Блок цилиндров
Головка блока цилиндров с клапанами
Поршень и шатун
Вал коленчатый и маховик
Вал распределительный
Клапаны и толкатели
Газопроводы впускной и выпускной
Картер масляный
Маслоприемник и масляный насос
Вентиляция картера
Привод масляного насоса
Трубопроводы топливные
Термостат
Патрубок водяного насоса и термостат
Насос водяной
Привод водяного насоса
Сцепление
Сцепление
Генератор
Генератор
Свечи, катушки зажигания и провода зажигания
Стартер
Стартер
Стартер
Датчики температуры, детонации, абсолютного давления, синхронизации фазы
Датчики давления масла
Датчики углового положения дроссельной заслонки, регулятор холостого хода
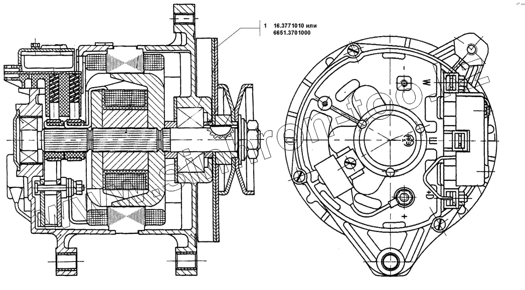
1
1
Позиция на иллюстрации
Заводской номер детали
Название детали
1
16.3771010
Генератор с интегральным регулятором напряжения, дополнительными диодами и выводом фазы
1
6651.3701000
Генератор с интегральным регулятором напряжения, дополнительными диодами и выводом фазы
Содержащиеся в справочниках-каталогах запасные части и детали не предлагаются к продаже, а носят исключительно информационный характер
Дополнительная информация
×
Название:
Номер:
Примечание: