Каталог запасных частей к технике: УМЗ-4213, 420. Генератор
1
1
1
2
3
3
4
5
6
7
8
9
10
11
12
13
14
15
16
17
18
19
20
21
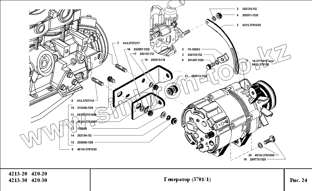
| Позиция на иллюстрации | Заводской номер детали | Название детали | |
|---|---|---|---|
| 1 | 6651.3701000 | Генератор с интегральным регулятором напряжения, дополнительными диодами и выводом фазы | |
| 1 | 6651.3701000 | Генератор с интегральным регулятором напряжения, дополнительными диодами и выводом фазы | |
| 1 | 16.3771010 | Генератор с интегральным регулятором напряжения, дополнительными диодами и выводом фазы | |
| 2 | 4215.3701035 | Планка установочная генератора | |
| 3 | 252135-П2 | Шайба 8Т пружинная | |
| 4 | 250511-П29 | Гайка М8х1–6Н | |
| 5 | 70-10003 | Скоба прижимная | |
| 6 | 201457-П29 | Болт М8-6gх22 | |
| 7 | 414.3707217 | Шпилька М12х1,25х25 | |
| 8 | 414.3707218 | Шпилька М12х1,25х32 | |
| 9 | 451М-3701030 | Кронштейн крепления генератора в сборе | |
| 10 | 210358-П29 | Болт М6х20 | |
| 11 | 451М-3701058 | Кронштейн крепления генератора передний | |
| 12 | 451М-3701059 | Кронштейн крепления генератора задний | |
| 13 | 100935 | Шайба 6 | |
| 14 | 252154-П2 | Шайба 6Л пружинная | |
| 15 | 250508-П29 | Гайка М6 | |
| 16 | 252007-П29 | Шайба 12 | |
| 17 | 252157-П2 | Шайба 12 Л пружинная | |
| 18 | 250515-П8 | Гайка М12х1,25 | |
| 19 | 290775-П29 | Болт М10х40 | |
| 20 | 451М-3701060 | Шайба 10,5 | |
| 21 | 250612-П29 | Гайка М10 |
Содержащиеся в справочниках-каталогах запасные части и детали не предлагаются к продаже, а носят исключительно информационный характер