Каталог запасных частей к технике: ТМЗ-8525.10. Топливный насос высокого давления
1
2
3
4
5
6
7
8
9
10
11
12
13
13
13
14
15
15
16
17
18
19
19
20
21
22
23
24
25
26
27
28
29
30
31
32
33
34
35
36
37
38
38
39
40
41
42
43
44
44
45
45
46
47
48
49
50
51
52
53
54
55
56
57
58
59
60
61
62
63
64
65
66
67
68
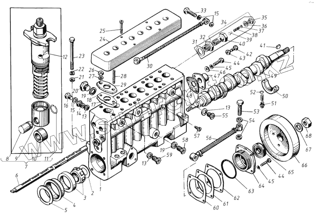
| Позиция на иллюстрации | Заводской номер детали | Название детали | |
|---|---|---|---|
| 17.1111005 | 17.1111005 | Топливный насос высокого давления в сборе | |
| 171.1111005-80 | 171.1111005-80 | Топливный насос высокого давления | |
| 1 | 17.1111021 | Корпус топливного насоса с втулками рейки | |
| 2 | 42.1111087 | Шайба дистанционная | |
| 3 | 6-7506А | Подшипник кулачкового вала | |
| 4 | 42.1111077 | Втулка подшипника | |
| 5 | 42.1111082 | Кольцо упорное | |
| 6 | 42.1111181-02 | Рейка насоса | |
| 7 | 17.1111110 | Толкатель плунжера в сборе | |
| 8 | 42.1111124 | Ось ролика | |
| 9 | 17.1111114 | Толкатель плунжера | |
| 10 | 17.1111118 | Ролик толкателя | |
| 11 | 17.1111115 | Кольцо стопорное | |
| 12 | 17.1111130-02 | Секция топливного насоса | |
| 13 | 852619-П | Шайба | |
| 14 | 42.1111902 | Ввертыш | |
| 15 | 312482-П | Прокладка | |
| 16 | 316126-П29 | Пробка | |
| 17 | 42.1111386 | Прокладка регулировочная | |
| 18 | 42.1111385-01 | Прокладка регулировочная | |
| 19 | 312768-П | Прокладка | |
| 20 | 316186-П29 | Пробка | |
| 21 | 312355-П29 | Шайба | |
| 22 | 252136-П2 | Шайба 10.ОТ | |
| 23 | 200461-П29 | Болт М10х90 | |
| 24 | 42.1111412 | Крышка защитная | |
| 25 | 42.1111414 | Винт крепления крышки | |
| 26 | 250517-П29 | Гайка М10х1,25-6Н | |
| 27 | 252156-П29 | Шайба 10. Л | |
| 28 | 852301 | Шпилька | |
| 29 | 17.1111375 | Фланец нажимной | |
| 30 | 8421.1111538 | Трубка подвода воздуха | |
| 31 | 312630-П | Прокладка 20х24х1,5 | |
| 32 | 42.1111032 | Ввертыш экранированный | |
| 33 | 310122-П29 | Болт М10х1х22 | |
| 34 | 6007.1111282-01 | Клапан перепускной (в сборе) | |
| 35 | 852893-П15 | Пробка клапана | |
| 36 | 852205 | Прокладка | |
| 37 | 852210 | Шайба регулировочная | |
| 38 | 60.1111289-10 | Пружина клапана | |
| 38 | 60.1111289-12 | Пружина клапана | |
| 39 | 60.1111152 | Клапан | |
| 40 | 6007.1111285-10 | Корпус клапана | |
| 41 | 852802 | Шпонка сегментная | |
| 42 | 201420-П15 | Болт М6х20 | |
| 43 | 250608-П15 | Гайка М6 | |
| 44 | 201458-П29 | Болт М8-6gх25 | |
| 45 | 252135-П2 | Шайба 8.Т | |
| 46 | 312700-П29 | Шайба | |
| 47 | 42.1111186 | Крышка рейки | |
| 48 | 421.1111869-10 | Прокладка | |
| 49 | 17.1111055 | Вал кулачковый | |
| 50 | 42.1111063-10 | Опора кулачкового вала | |
| 51 | 42.1111065 | Болт опоры кулачкового вала | |
| 52 | 2531112015 | Кольцо 007-010-19-2-1 | |
| 53 | 310264-П29 | Болт М16х1,5х37 | |
| 54 | 201-1015624 | Шайба уплотнительная 16х22х2 | |
| 55 | 42.1111905 | Ввертыш | |
| 56 | 842.1111570 | Трубка | |
| 57 | 310952-П29 | Винт стопорный | |
| 58 | 316617-П29 | Ввертыш | |
| 59 | 316619-П29 | Ввертыш | |
| 60 | 42.1111080 | Прокладка регулировочная | |
| 61 | 42.1111079 | Прокладка регулировочная | |
| 62 | 42.1111078 | Прокладка регулировочная | |
| 63 | 2531112181 | Кольцо 068-074-36-2-1 | |
| 64 | 172.1111072 | Крышка подшипника | |
| 65 | 42.1111090 | Манжета | |
| 66 | 42.1111332-11 | Маховик топливного насоса | |
| 67 | 252161-П29 | Шайба 20.Л | |
| 68 | 250565-П29 | Гайка М20х1,5 |
Содержащиеся в справочниках-каталогах запасные части и детали не предлагаются к продаже, а носят исключительно информационный характер