Каталог запасных частей к технике: ТМЗ-8525.10. Регулятор частоты вращения
1
2
3
4
5
6
6
7
8
8
8
8
9
10
10
10
10
10
10
11
12
13
14
15
16
17
18
19
20
21
22
22
23
23
24
25
26
27
28
29
30
31
32
33
34
35
36
37
37
38
39
40
41
42
43
44
44
45
46
47
48
49
50
51
52
53
54
55
56
57
58
59
59
60
61
62
63
64
65
66
67
68
69
70
71
72
73
74
75
75
76
77
78
79
80
81
82
83
84
85
86
87
88
88
89
90
91
92
93
94
95
96
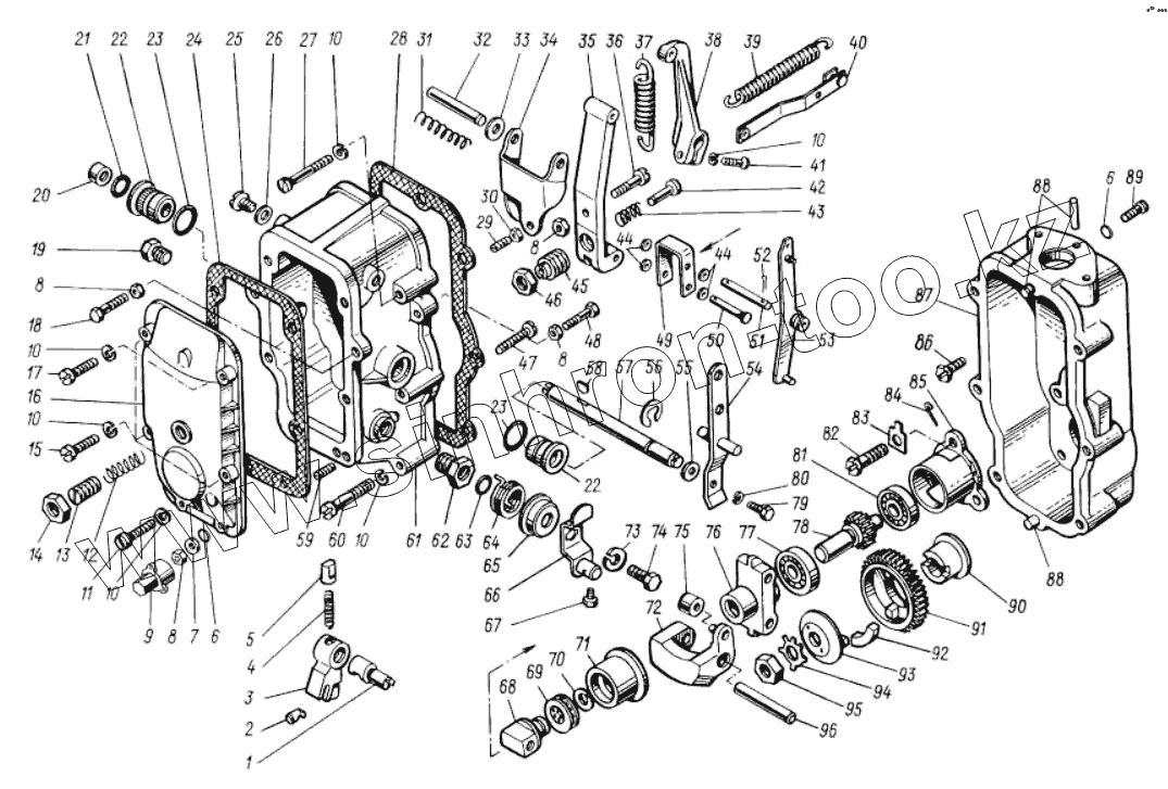
| Позиция на иллюстрации | Заводской номер детали | Название детали | |
|---|---|---|---|
| 1 | 236-1110136-Б | Ось кулисы | |
| 2 | 60.1110220-02 | Ползун кулисы | |
| 3 | 60.1110132 | Кулиса | |
| 4 | 175.1110227 | Пружина фиксатора | |
| 5 | 236-1110372-Б | Фиксатор кулисы | |
| 6 | 2531112013 | Кольцо 005-008-19-2-1 | |
| 7 | 312370 | Шайба | |
| 8 | 250508-П29 | Гайка М6 | |
| 9 | 852920 | Гайка колпачковая | |
| 10 | 252154-П29 | Шайба 6.Л | |
| 11 | 310611-П29 | Винт | |
| 12 | 236-1110490 | Пружина буферная | |
| 13 | 60.1110492-10 | Корпус буферной пружины | |
| 14 | 311511-П15 | Контргайка | |
| 15 | 852380-П29 | Винт | |
| 16 | 60.1110498-01 | Крышка смотрового люка | |
| 17 | 310600-П29 | Винт | |
| 18 | 852003-П29 | Болт регулировочный | |
| 19 | 852880-П29 | Пробка | |
| 20 | 313955-П29 | Заглушка | |
| 21 | 236-1110482 | Кольцо уплотнительное | |
| 22 | 236-1110476-Б | Втулка вала | |
| 23 | 2531113064 | Кольцо 016-020-25-2-2 | |
| 24 | 236-1110499-А3 | Прокладка крышки смотрового люка | |
| 25 | 852369-П29 | Винт-заглушка | |
| 26 | 852205 | Прокладка | |
| 27 | 310612-П29 | Винт | |
| 28 | 236-1110154-А | Прокладка крышки регулятора | |
| 29 | 852364 | Винт | |
| 30 | 250511-П15 | Гайка М8х1 | |
| 31 | 236-1110089 | Пружина компенсационная | |
| 32 | 236-1110088 | Ось рычагов | |
| 33 | 312700-П15 | Шайба | |
| 34 | 60.1110080 | Рычаг двуплечий | |
| 35 | 238НБ-1110406-А2 | Рычаг регулятора | |
| 36 | 852350-П15 | Винт регулировочный | |
| 37 | 601110462 | Пружина регулятора | |
| 37 | 90.1110462-10 | Пружина регулятора | |
| 38 | 60.1110466 | Рычаг пружины | |
| 39 | 60.1110438 | Пружина рычага рейки с зацепом (в сборе) | |
| 40 | 423.1110454-01 | Тяга рейки с планкой пружинной и щитком | |
| 41 | 4593465503 | Болт | |
| 42 | 423.1110412 | Корректор | |
| 43 | 240Б-1110414-Б | Пружина корректора | |
| 44 | 312370-П29 | Шайба | |
| 45 | 240Б-1110416 | Корпус пружины корректора | |
| 46 | 311512-П15 | Контргайка | |
| 47 | 852357 | Винт регулировочный | |
| 48 | 852020-П29 | Болт регулировочный | |
| 49 | 236-1110433 | Серьга регулятора | |
| 50 | 317849-П15 | Палец | |
| 51 | 236-1110066 | Ось упорной пяты | |
| 52 | 258012-П15 | Шплинт разводной | |
| 53 | 60.1110441-01 | Рычаг рейки в сборе | |
| 54 | 236-1110151 | Рычаг управления регулятором | |
| 55 | 312347-П15 | Шайба | |
| 56 | 236-1110471 | Кольцо пружинное упорное | |
| 57 | 902.1110467-10 | Вал рычага пружины | |
| 58 | 314003-П | Шпонка сегментная | |
| 59 | 236-1110200 | Винт регулировочный (подбор) | |
| 59 | 175.1110200 | Винт регулировочный (подбор) | |
| 60 | 852381-П29 | Винт | |
| 61 | 60.1110129 | Крышка регулятора | |
| 62 | 236-1110134-Б | Ввертыш оси кулисы | |
| 63 | 236-1110394 | Кольцо уплотнительное | |
| 64 | 236-1110396 | Пружина возвратная | |
| 65 | 236-1110398 | Крышка пружины | |
| 66 | 42.1110380-13 | Рычаг останова в сборе | |
| 67 | 852006-П29 | Болт | |
| 68 | 236-1110065-Б | Пята упорная | |
| 69 | 8102 | Подшипник муфты грузов | |
| 70 | 236-1110067 | Кольцо пружинное | |
| 71 | 60.1110006-02 | Муфта грузов | |
| 72 | 175.1110320 | Груз регулятора в сборе | |
| 73 | 252134-П29 | Шайба 6.Т | |
| 74 | 201418-П29 | Болт М6х16 | |
| 75 | 236-1110532 | Ролик груза | |
| 75 | 175.1110300 | Державка грузов со стаканом в сборе | |
| 76 | 175.1110304 | Державка грузов | |
| 77 | 202 | Подшипник ГОСТ 8338-75 | |
| 78 | 236-1110051-В | Валик державки грузов | |
| 79 | 201416-П29 | Болт М6х1х12 | |
| 80 | 252134-П29 | Шайба 6.Т | |
| 81 | 200 | Шарикоподшипник | |
| 82 | 310140-П15 | Болт | |
| 83 | 312529-П15 | Шайба | |
| 84 | 236.1110042 | Стопор пружинный | |
| 85 | 236.1110558-Б | Стакан подшипников | |
| 86 | 311200-П29 | Винт | |
| 87 | 84.1110022 | Корпус регулятора | |
| 88 | 25639-П15 | Штифт | |
| 89 | 260003-П15 | Палец | |
| 90 | 236-1110518-Б | Втулка ведущей шестерни | |
| 91 | 236-1110516-Б2 | Шестерня ведущая | |
| 92 | 236-1110517-Б2 | Сухарь шестерни | |
| 93 | 236-1110521 | Фланец втулки | |
| 94 | 312556-П15 | Шайба стопорная | |
| 95 | 250634-П15 | Гайка М14х1,5 | |
| 96 | 236-1110049 | Ось груза регулятора |
Содержащиеся в справочниках-каталогах запасные части и детали не предлагаются к продаже, а носят исключительно информационный характер