Каталог запасных частей к технике: ТМЗ-8486.10-04. Турбокомпрессор. Устройство
3990033091
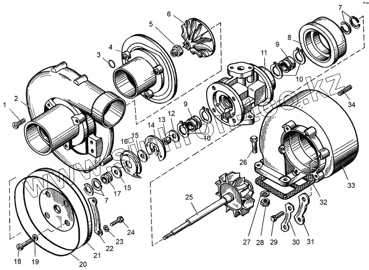
1
2
3
4
5
6
7
7
8
9
9
10
10
11
12
13
14
15
15
16
17
18
19
20
21
22
23
24
25
26
27
28
29
30
31
32
33
34
| Позиция на иллюстрации | Заводской номер детали | Название детали | |
|---|---|---|---|
| 3990033091 | 3990033091 | Турбокомпрессор К-36-91-01 (К-36-4070 MNA/42.22) | |
| 1 | 6111030870 | Винт | |
| 2 | 3996723015 | Крышка корпуса | |
| 3 | 6117405084 | Шайба | |
| 4 | 3996723020 | Корпус компрессора | |
| 5 | 3992662002 | Гайка | |
| 6 | 3992902011 | Колесо компрессора | |
| 7 | 3993100022 | Кольцо пружинное | |
| 8 | 3992102012 | Тепловой экран | |
| 9 | 3992331002 | Втулка подшипника | |
| 10 | 3993401002 | Кольцо стопорное | |
| 11 | 3996861002 | Корпус подшипников | |
| 12 | 3992100050 | Маслоотражатель | |
| 13 | 3992000900 | Втулка распорная | |
| 14 | 3993231002 | Фланец упорный | |
| 15 | 3992002012 | Кольцо упорное | |
| 16 | 3994801003 | Экран маслосбрасывающий | |
| 17 | 3992430012 | Втулка уплотнительная | |
| 18 | 3992200000 | Винт | |
| 19 | 3992001005 | Шайба | |
| 20 | 3994500012 | Кольцо уплотнительное | |
| 21 | 3992134002 | Крышка корпуса подшипника | |
| 22 | 3993101012 | Пластина упорная | |
| 23 | 6117405082 | Шайба | |
| 24 | 6111036183 | Болт | |
| 25 | 3991122004 | Ротор | |
| 26 | 201684-П29 | Болт М10х1,25х45 | |
| 27 | 312300-П2 | Шайба 10,5 | |
| 28 | 250517-П29 | Гайка М10х1,25-6Н | |
| 29 | 6111030873 | Болт | |
| 30 | 3994001022 | Пластина упорная | |
| 31 | 3993201022 | Пластина упорная | |
| 32 | 238Ф-1118158 | Прокладка | |
| 33 | 3996923511 | Корпус турбины | |
| 34 | 310437-П | Шпилька |
Содержащиеся в справочниках-каталогах запасные части и детали не предлагаются к продаже, а носят исключительно информационный характер