Каталог запасных частей к технике: ТМЗ-8486.10-04. Насос масляный
8421.1011014
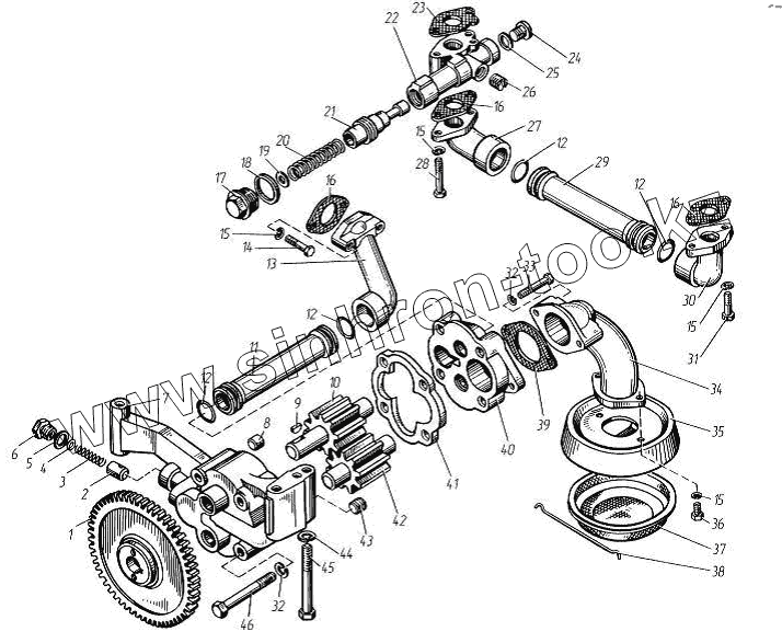
1
2
3
4
5
6
7
8
9
10
11
12
12
12
12
13
14
15
15
15
15
16
16
16
17
18
19
20
21
22
23
24
25
26
27
28
29
30
31
32
32
33
34
35
36
37
38
39
40
41
42
43
44
45
46
| Позиция на иллюстрации | Заводской номер детали | Название детали | |
|---|---|---|---|
| 8462.1011398-10 | 8462.1011398-10 | Трубка всасывающая с заборником | |
| 8421.1011014 | 8421.1011014 | Насос масляный (в сборе) | |
| 840.1011054 | 840.1011054 | Клапан системы смазки (в сборе) | |
| 1 | 840.1011230 | Шестерня ведомая привода масляного насоса | |
| 2 | 840.1011364 | Клапан предохранительный | |
| 3 | 840.1011058 | Пружина предохранительного клапана | |
| 4 | 252004-П29 | Шайба 6 | |
| 5 | 204-1011371 | Прокладка пробки 19х24х2 | |
| 6 | 204-1011370-Б | Пробка клапана М18х1,5-6g | |
| 7 | 841.1011018 | Корпус масляного насоса со втулками (в сборе) | |
| 8 | 240.1011037 | Втулка установочная | |
| 9 | 4598246263 | Шпонка 5х7,5 | |
| 10 | 841.1011045-01 | Шестерня ведущая масляного насоса | |
| 11 | 842.1011350-11 | Труба отводящая | |
| 12 | 8423.1011151 | Кольцо 032-038-36-2, Тер 10 | |
| 13 | 842.1011293 | Фланец задний | |
| 14 | 201464-П29 | Болт М8х35 | |
| 15 | 252135-П29 | Шайба 8.Т | |
| 16 | 840.1011366 | Прокладка | |
| 17 | 840.1011370 | Пробка М30х2-6g | |
| 18 | 312330-П | Прокладка 30х38х2 | |
| 19 | 252006-П29 | Шайба 10 | |
| 20 | 840.1011057 | Пружина | |
| 21 | 840.1011055-01 | Клапан | |
| 22 | 840.1011060-01 | Корпус клапана | |
| 23 | 840.1011544 | Прокладка | |
| 24 | 316144-П2 | Пробка М20х1,5-6g | |
| 25 | 312630-П | Прокладка 20х24х1,5 | |
| 26 | 316139-П2 | Пробка КГ1/2 | |
| 27 | 842.1011415 | Фланец | |
| 28 | 200272-П29 | Болт М8-6gх65 | |
| 29 | 842.1011406-10 | Труба отводящая | |
| 30 | 842.1011356 | Фланец | |
| 31 | 201458-П29 | Болт М8-6gх25 | |
| 32 | 252136-П2 | Шайба 10.ОТ | |
| 33 | 201687-П29 | Болт М10х1,25-6gх55 | |
| 34 | 8462.1011400-10 | Труба всасывающая масляного насоса (в сборе) | |
| 35 | 840.1011300 | Чашка заборника | |
| 36 | 201454-П29 | Болт М8-6gх16 | |
| 37 | 204А-1011310-В | Сетка заборника с ободком (в сборе) | |
| 38 | 204А-1011318-Б | Крючок крепления сетки | |
| 39 | 840.1011296-10 | Прокладка | |
| 40 | 842.1011019 | Крышка масляного насоса со втулкой (в сборе) | |
| 41 | 852.1011049 | Проставка масляного насоса | |
| 42 | 840.1011032-11 | Шестерня ведомая масляного насоса | |
| 43 | 316135-П2 | Пробка К3/8 | |
| 44 | 252137-П2 | Шайба 12.ОТ | |
| 45 | 4593276144 | Болт М12х1,25-6gх90 | |
| 46 | 4593276095 | Болт М10х1,25-6gх90 |
Содержащиеся в справочниках-каталогах запасные части и детали не предлагаются к продаже, а носят исключительно информационный характер