Каталог запасных частей к технике: ТМЗ-8481.10-02. Турбокомпрессор. Устройство
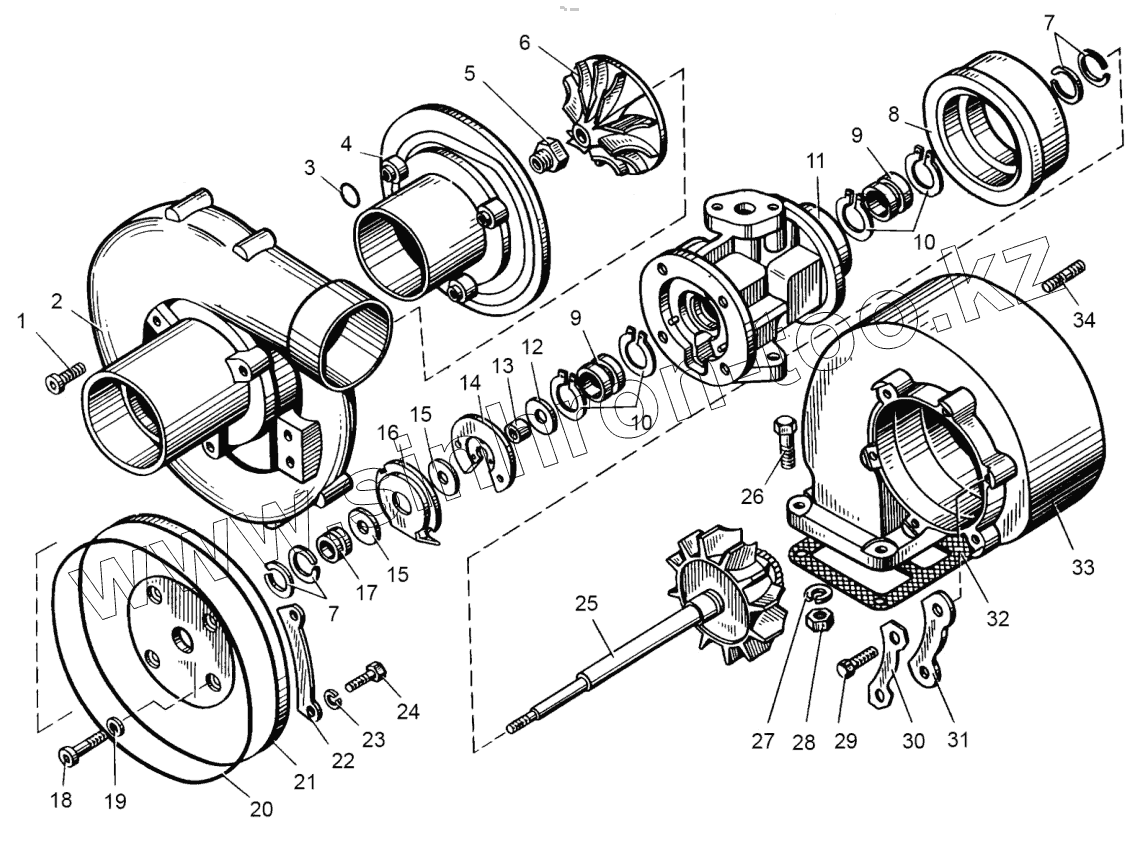
1
2
3
4
5
6
7
7
8
9
9
10
10
11
12
13
14
15
15
16
17
18
19
20
21
22
23
24
25
26
27
28
29
30
31
32
33
34
| Позиция на иллюстрации | Заводской номер детали | Название детали | |
|---|---|---|---|
| 399 0033 091 | 399 0033 091 | Турбокомпрессор | |
| 1 | 611 103 0870 | Винт | |
| 2 | 399 6723 015 | Крышка корпуса | |
| 3 | 611 740 5084 | Шайба | |
| 4 | 399 6723 020 | Корпус компрессора | |
| 5 | 399 2662 002 | Гайка | |
| 6 | 399 2902 011 | Колесо компрессора | |
| 7 | 399 3100 022 | Кольцо пружинное | |
| 8 | 399 2102 012 | Тепловой экран | |
| 9 | 399 2331 002 | Втулка подшипника | |
| 10 | 399 3401 002 | Кольцо стопорное | |
| 11 | 399 6861 002 | Корпус подшипников | |
| 12 | 399 2100 050 | Маслоотражатель | |
| 13 | 399 2000 900 | Втулка распорная | |
| 14 | 399 3231 002 | Фланец упорный | |
| 15 | 399 2002 012 | Кольцо упорное | |
| 16 | 399 4801 003 | Экран маслосбрасывающий | |
| 17 | 399 2430 012 | Втулка уплотнительная | |
| 18 | 399 2200 000 | Винт | |
| 19 | 399 2001 005 | Шайба | |
| 20 | 399 4500 012 | Кольцо уплотнительное | |
| 21 | 399 2134 002 | Крышка корпуса подшипника | |
| 22 | 399 3101 012 | Пластина упорная | |
| 23 | 611 740 5082 | Шайба | |
| 24 | 611 103 6183 | Болт | |
| 25 | 399 1122 004 | Ротор | |
| 26 | 201684-П29 | Болт М10х1,25х45 | |
| 27 | 312300-П2 | Шайба 10,5 | |
| 28 | 250517-П29 | Гайка М10х1,25-6Н | |
| 29 | 611 103 0873 | Болт | |
| 30 | 399 4001 022 | Пластина упорная | |
| 31 | 399 3201 022 | Пластина упорная | |
| 32 | 238Ф-1118158 | Прокладка | |
| 33 | 399 6923 511 | Корпус турбины | |
| 34 | 310437-П | Шпилька |
Содержащиеся в справочниках-каталогах запасные части и детали не предлагаются к продаже, а носят исключительно информационный характер