Каталог запасных частей к технике: ТМЗ КПП ЯМЗ-238ВМ, ЯМЗ-238ВК. Механизм переключения передач
1
2
3
3
4
5
6
7
7
8
9
10
11
12
13
13
14
15
16
17
18
19
20
21
22
23
24
25
26
27
28
29
30
31
32
33
34
35
36
37
38
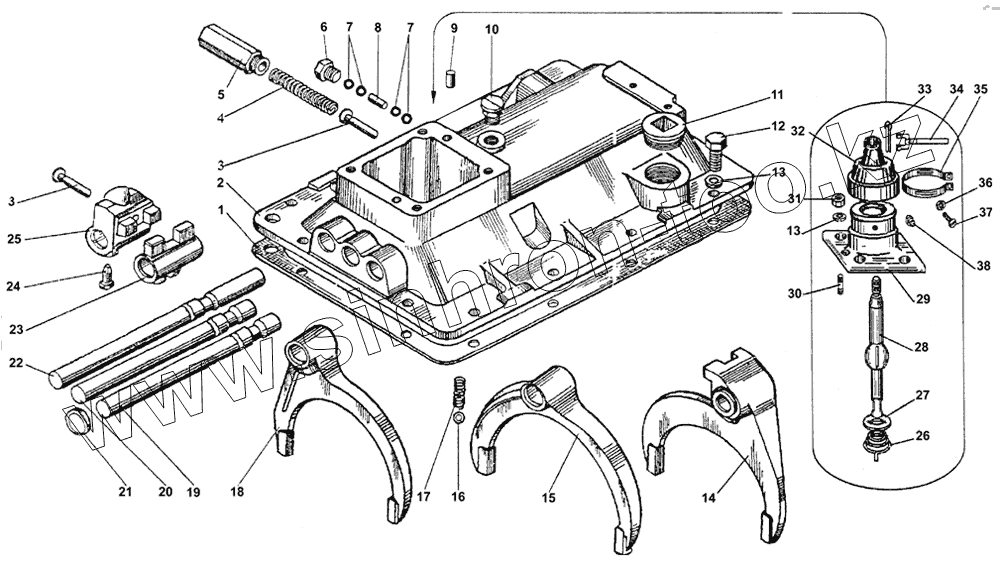
| Позиция на иллюстрации | Заводской номер детали | Название детали | |
|---|---|---|---|
| 1 | 238-1702014 | Прокладка верхней крышки | |
| 2 | 238-1702015-Б | Крышка верхняя | |
| 3 | 236-1702129 | Предохранитель включения 1 передачи и заднего хода | |
| 4 | 236-1702127-А | Пружина предохранителя | |
| 5 | 236-1702132 | Стакан пружины предохранителя | |
| 6 | 316172-П2 | Пробка М16х1,5 | |
| 7 | 4 691 186 660 | Шарик замка штоков вилок | |
| 8 | 236-1702087 | Штифт замка штоков вилок переключения передач | |
| 9 | 313407-П29 | Штифт | |
| 10 | 236-1702170-А | Сапун | |
| 11 | 262522-П2 | Пробка К1 1/4 | |
| 12 | 310013-П29 | Болт М10-6gх35 | |
| 13 | 252136-П2 | Шайба 10.ОТ | |
| 14 | 236-1702033 | Вилка переключения 3 и 4 передач | |
| 15 | 236-1702027 | Вилка переключения 1 и 2 передач | |
| 16 | 4691187960 | Шарик стопорный | |
| 17 | 236-1702106 | Пружина стопорного шарика | |
| 18 | 238-1702050 | Вилка переключения заднего хода | |
| 19 | 238-1702074 | Шток вилки переключения третьей и четвертой передач | |
| 20 | 238-1702064 | Шток вилки переключения первой и второй передач | |
| 21 | 260310-П29 | Заглушка 26.016 | |
| 22 | 238-1702060 | Шток вилки переключения заднего хода | |
| 23 | 236-1702028 | Головка штока вилки | |
| 24 | 236-1702025 | Винт установочный вилки переключения | |
| 25 | 238-1702053 | Головка штока вилки | |
| 26 | 236У-1702130 | Пружина рычага переключения передач | |
| 27 | 236У-1702131-А | Шайба пружины | |
| 28 | 238Б-1702119 | Наконечник рычага переключения передач | |
| 29 | 236У-1702121-Б | Опора рычага переключения | |
| 30 | 216258-П29 | Шпилька М10 1,5ch/1-4h х27 | |
| 31 | 250513-П29 | Гайка М10х1 | |
| 32 | 236У-1702133 | Колпак защитный опоры рычага | |
| 33 | 297575-П29 | Шплинт стяжной | |
| 34 | 316215-П | Хомут с пряжкой | |
| 35 | 288026-П29 | Хомутик | |
| 36 | 251086-П29 | Гайка М5-6Н | |
| 37 | 220086-П29 | Винт М5-6gх30 | |
| 38 | 236У-1702128-А | Штифт-фиксатор рычага |
Содержащиеся в справочниках-каталогах запасные части и детали не предлагаются к продаже, а носят исключительно информационный характер