Каталог запасных частей к технике: ТМЗ Дизели ТМЗ-8421 - 85227. Механизм отключения трансмиссии
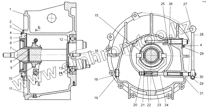
1
2
3
4
4
5
6
7
8
9
10
11
12
13
14
15
16
17
18
19
20
21
22
23
24
25
26
27
28
29
29
30
31
| Позиция на иллюстрации | Заводской номер детали | Название детали | |
|---|---|---|---|
| 8486.1605010-10 | 8486.1605010-10 | Механизм отключения трансмиссии в сборе | |
| 252139-П2 | 252139-П2 | Шайба 16.ОТ | |
| 311423-П5 | 311423-П5 | Гайка М16 | |
| 8486.1605200 | 8486.1605200 | Шпилька | |
| 252137-П2 | 252137-П2 | Шайба 12.ОТ | |
| 8486.1605250 | 8486.1605250 | Болт | |
| 8486.1605015-10 | 8486.1605015-10 | Вал с муфтой и подшипником | |
| 4593181126 | 4593181126 | Болт М12х1,25х40 | |
| 8486.1605090 | 8486.1605090 | Форсунка с пробкой и кольцом | |
| 1 | 8486.1605050-10 | Корпус | |
| 2 | 8486.1605058 | Прокладка крышки | |
| 3 | 8486.1605059 | Шайба стопорная | |
| 4 | 201497-П29 | Болт М10х25 | |
| 5 | 8486.1605055 | Крышка | |
| 6 | 8486.1605030 | Манжета с пружиной | |
| 7 | 8486.1605020-10 | Вал | |
| 8 | 4691185560 | Шарик Б7.938-100 | |
| 9 | 8486.1605025-10 | Пружина | |
| 10 | 8486.1605022-10 | Полумуфта ведомая | |
| 11 | 316121-П29 | Пробка К1/4 | |
| 12 | 4,61214E+11 | Подшипник 228 | |
| 13 | 8486.1605024 | Кольцо | |
| 14 | 8486.1605023 | Кольцо | |
| 15 | 8486.1605071 | Сухарь | |
| 16 | 8486.1605050 | Штифт 20х40 | |
| 17 | 8486.1605160 | Штифт 18х55 | |
| 18 | 316162-П2 | Пробка М42х2 | |
| 19 | 312659-П | Шайба 43 | |
| 20 | 250553-П29 | Гайка М16х1,5 | |
| 21 | 252017-П2 | Шайба 16 | |
| 22 | 8486.1605070-10 | Вилка | |
| 23 | 8486.1605072 | Шпонка призматическая | |
| 24 | 8486.1605075-10 | Валик | |
| 25 | 2531112066 | Кольцо 018-022-25-2-1 | |
| 26 | 8486.1605091 | Форсунка с фланцем | |
| 27 | Т25Б.37.160 | Рукоятка | |
| 28 | 8486.1605080 | Рычаг | |
| 29 | 252136-П2 | Шайба 10.ОТ | |
| 30 | 201680-П29 | Болт М10х1,25х35 | |
| 31 | 8486.1605076 | Кольцо 016-020-25-2-1 |
Содержащиеся в справочниках-каталогах запасные части и детали не предлагаются к продаже, а носят исключительно информационный характер