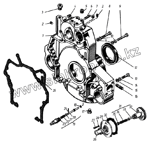
Каталог запасных частей к технике: ТМЗ Дизели ТМЗ-8421 - 85227. Картер маховика
1
2
2
3
4
5
6
7
8
9
10
11
12
13
14
15
16
17
18
19
20
21
22
23
24
25
26
27
28
29
30
31
32
33
34
35
| Позиция на иллюстрации | Заводской номер детали | Название детали | |
|---|---|---|---|
| 8423.1002310-41 | 8423.1002310-41 | Картер маховика в сборе | |
| 1 | 8423.1002312-41 | Картер маховика | |
| 2 | 316105-П | Пробка К 1/8 | |
| 3 | 316615-П29 | Ввертыш М16х1,5-6Н-М24х2-6gх18 | |
| 4 | 316621-П29 | Ввертыш М12х1,25-6Н-М18-3hх28 | |
| 5 | 316620-П29 | Ввертыш М10х1,25-6Н-М16х1,5-3nх18 | |
| 6 | 216563-П29 | Шпилька М10х(1,5-3n/1,25-6g)х50 | |
| 7 | 316139-П2 | Пробка КГ1/2 | |
| 8 | 200467-П29 | Болт М10х1,25-6gх110 | |
| 9 | 200471-П29 | Болт М10х1,25-6gх140 | |
| 10 | 252136-П2 | Шайба 10.ОТ | |
| 11 | 252006-П29 | Шайба 10 | |
| 12 | 389458 | Манжета BAUM7X7 (140-170-15) | |
| 13 | 200404-П29 | Болт М12х1,25-6gх95 | |
| 14 | 252137-П2 | Шайба 12.ОТ | |
| 15 | 252007-П29 | Шайба 12 | |
| 16 | 216626-П29 | Шпилька М14х((2Cn/1,5-4h)х35(28/30))х68 | |
| 17 | 316172-П29 | Пробка М16х1.5-6g | |
| 18 | 312766-П | Прокладка 22х28х1.5 | |
| 19 | 840.1005440 | Фиксатор маховика в сборе | |
| 20 | 840.1005442 | Фиксатор маховика | |
| 21 | 238Н-1722063 | Кольцо уплотнительное | |
| 22 | 840.1005446 | Пружина | |
| 23 | 840.1005444 | Корпус | |
| 24 | 313412-П29 | Штифт 6х36 | |
| 25 | 8423.1002314 | Прокладка картера | |
| 26 | 840.1005688 | Колпачок | |
| 27 | 201420-П29 | Болт М6-6gх20 | |
| 28 | 252134-П2 | Шайба 6.Т | |
| 29 | 842.1005676 | Корпус | |
| 30 | 842.1005696 | Прокладка | |
| 31 | 840.1005674 | Шестерня механизма проворота (в сборе) | |
| 32 | 840.1005678 | Шестерня | |
| 33 | 240-1005683 | Упор | |
| 34 | 240-1005681 | Пружина | |
| 35 | 316139-П2 | Пробка КГ1/2 | |
| 36 | 316105-П | Пробка К 1/8 | |
| 37 | 216563-П29 | Шпилька М10х(1,5-3n/1,25-6g)х50 |
Содержащиеся в справочниках-каталогах запасные части и детали не предлагаются к продаже, а носят исключительно информационный характер