Каталог запасных частей к технике: ТМЗ Дизели ТМЗ-8421 - 85227. Головка цилиндра
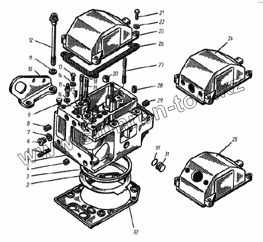
1
2
3
4
6
7
8
9
10
11
12
13
14
15
16
17
18
19
20
21
22
23
24
25
25
26
27
28
29
30
31
32
| Позиция на иллюстрации | Заводской номер детали | Название детали | |
|---|---|---|---|
| 840.1003013-20 | 840.1003013-20 | Головка цилиндра без клапанов для запасных частей | |
| 840.1003010-20 | 840.1003010-20 | Головка цилиндра с клапанами | |
| 1 | 840.1003014-40 | Головка цилиндра | |
| 2 | 840.1003212-30 | Прокладка головки | |
| 3 | 840.1003466 | Кольцо уплотнительное | |
| 4 | 316613-П29 | Ввертыш М10х1,25-6Н-М 16х1,5-6gх26 | |
| 6 | 316603-П29 | Ввертыш М10х1-6Н-М16х1,5-6gх20,5 | |
| 7 | 201-1015624 | Шайба уплотнительная 16х22х2 | |
| 8 | 316612-П29 | Ввертыш М8-6Н-М14-6gх21 | |
| 9 | 316121-П29 | Пробка К1/4 | |
| 10 | 841.1002350/351 | Рым левый/правый | |
| 11 | 312693-П29 | Шайба 16 | |
| 12 | 840.1003016-01 | Болт крепления головки цилиндра | |
| 13 | 201454-П29 | Болт М8-6gх16 | |
| 14 | 312638-П | Шайба 8 | |
| 15 | 840.1104918 | Ниппель | |
| 16 | 312482-П34 | Шайба 10 | |
| 17 | 258639-П | Штифт 6х16 | |
| 18 | 310469-П2 | Шпилька крепления оси коромысла М12х(1,75-6g)/(1,25-6g)х85 | |
| 19 | 310470-П2 | Шпилька крепления оси коромысла М12х(1,75-6g)/(1,25-6g)х55 | |
| 20 | 840.1007095 | Втулка-штифт | |
| 21 | 201464-П29 | Болт М8х35 | |
| 22 | 252005-П29 | Шайба 8 | |
| 23 | 840.1003264 | Крышка головки цилиндра | |
| 24 | 8481.1003264 | Крышка головки цилиндра | |
| 25 | 849.1003264-01 | Крышка головки цилиндра | |
| 25 | 8463.1003264 | Крышка головки цилиндра | |
| 26 | 840.1003270 | Прокладка крышки головки цилиндра | |
| 27 | 310471-П2 | Шпилька крепления скобы форсунки М10х(1,5-6g)/(1,25-6g)х63 | |
| 28 | 316628-П29 | Ввертыш М8-6Н-М14-6gх26 | |
| 29 | 316627-П | Ввертыш М10-6Н-М16х1.5-6gх26 | |
| 30 | 238Н-1723031 | Кольцо уплотнительное | |
| 31 | 840.1003436 | Заглушка | |
| 32 | 840.1003213-02 | Прокладка уплотнительная |
Содержащиеся в справочниках-каталогах запасные части и детали не предлагаются к продаже, а носят исключительно информационный характер