Каталог запасных частей к технике: ТМЗ Дизели ТМЗ-8421 - 85227. Фильтр центробежной очистки масла
1
2
3
4
5
5
6
7
8
9
10
11
12
13
14
15
16
17
18
19
20
21
22
23
24
25
25
26
26
27
28
29
30
30
31
31
32
33
34
34
35
35
36
36
37
38
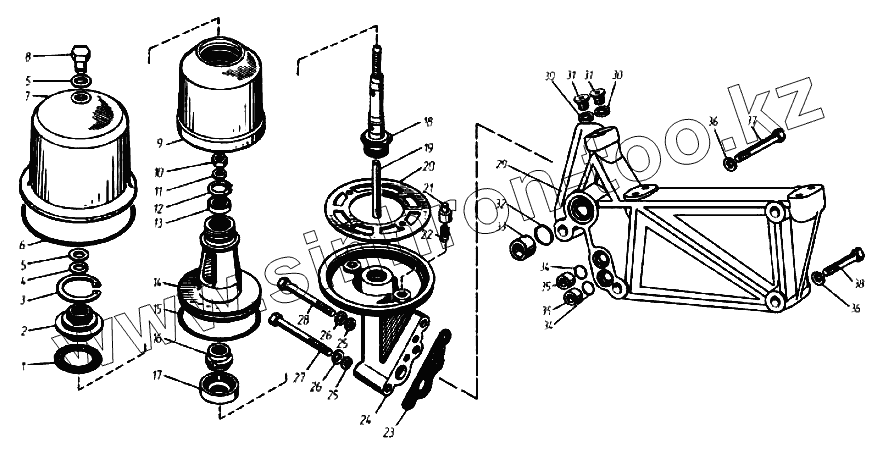
| Позиция на иллюстрации | Заводской номер детали | Название детали | |
|---|---|---|---|
| 8463.1028100-01 | 8463.1028100-01 | Кронштейн со втулками (в сборе) | |
| 840.1028010 | 840.1028010 | Фильтр центробежной очистки масла (в сборе) | |
| 840.1028035 | 840.1028035 | Корпус ротора со втулкой (в сборе) | |
| 1 | 840.1028064 | Прокладка 66х53х1 | |
| 2 | 840.1028046 | Гайка М45х2-6H | |
| 3 | 840.1028062 | Кольцо Б 68 | |
| 4 | 840.1028087 | Кольцо пружинное | |
| 5 | 312333-П | Прокладка 16х24х2 | |
| 6 | 2531112228 | Кольцо 155-160-36-2-1 | |
| 7 | 840.1028082 | Крышка фильтра | |
| 8 | 840.1028089 | Гайка М12х1,25-6Н | |
| 9 | 840.1028052 | Крышка ротора | |
| 10 | 250615-П2 | Гайка М12х1,25-6Н | |
| 11 | 840.1028061 | Кольцо упорное | |
| 12 | 840.1028088 | Кольцо Б35 | |
| 13 | 202 | Подшипник ГОСТ 8338-75 | |
| 14 | 840.1028036 | Корпус ротора | |
| 15 | 236-1028246 | Кольцо уплотнительное | |
| 16 | 840-1028044-01 | Форсунка | |
| 17 | 840.1028047 | Втулка | |
| 18 | 840.1028042-01 | Ось ротора | |
| 19 | 840.1028056 | Трубка | |
| 20 | 840.1028066 | Пластина стопора | |
| 21 | 840.1028068-01 | Палец стопора | |
| 22 | 840.1028070 | Пружина стопора | |
| 23 | 840.1028025 | Прокладка | |
| 24 | 840.1028020 | Корпус фильтра | |
| 25 | 252006-П29 | Шайба 10 | |
| 26 | 252136-П2 | Шайба 10.ОТ | |
| 27 | 200468-П29 | Болт М10х1,25-6gх115 | |
| 28 | 200460-П29 | Болт М10х1,25-6gх75 | |
| 29 | 8463.1028110 | Кронштейн | |
| 30 | 312326-П | Прокладка 14х19х1,5 | |
| 31 | 316106-П29 | Пробка М14х1,5-6g | |
| 32 | 2531116149 | Кольцо 030-036-36-2-5 | |
| 33 | 841.1318292 | Втулка | |
| 34 | 2531116063 | Кольцо 015-019-25-2-5 | |
| 35 | 841.1318290 | Втулка | |
| 36 | 252137-П2 | Шайба 12.ОТ | |
| 37 | 200410-П29 | Болт М12х1,25-6gх130 | |
| 38 | 200404-П29 | Болт М12х1,25-6gх95 |
Содержащиеся в справочниках-каталогах запасные части и детали не предлагаются к продаже, а носят исключительно информационный характер