Каталог запасных частей к технике: СМД 31А (Каталог РСМ). Ролик натяжной
1
1
2
2
3
4
5
6
7
8
9
10
10
11
11
12
13
14
15
15
16
16
17
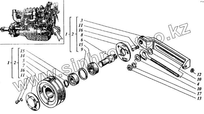
| Позиция на иллюстрации | Заводской номер детали | Название детали | |
|---|---|---|---|
| 1 | 31А-13С10-2 | Кронштейн | |
| 2 | 31А-13С11-1 | Ролик натяжной | |
| 3 | 31А-1304-2А | Кронштейн | |
| 4 | 31А-1305-1 | Тяга | |
| 5 | 31А-1306-1 | Ролик натяжной | |
| 6 | 31А-1307 | Ось натяжного ролика | |
| 7 | 31А-1308-1 | Крышка | |
| 8 | 31А-1309 | Крышка | |
| 9 | 60-13125.10 | Кольцо распорное | |
| 10 | 31А-1312 | Шайба | |
| 11 | М6-6х10.88 | Винт | |
| 12 | М10.6Н.6 | Гайка | |
| 13 | М16.6Н.6 | Гайка | |
| 14 | 31А-1320 | Кольцо | |
| 15 | 180505 | Подшипник | |
| 16 | 6.65Г.05 | Шайба | |
| 17 | 16.65Г.05 | Шайба |
Содержащиеся в справочниках-каталогах запасные части и детали не предлагаются к продаже, а носят исключительно информационный характер