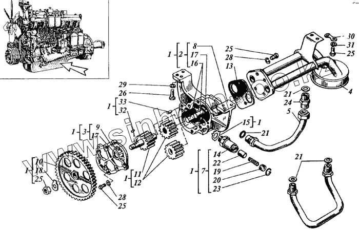
Каталог запасных частей к технике: СМД 31А (Каталог РСМ). Насос масляный
1
1
1
1
1
1
1
2
3
4
5
6
7
8
9
10
11
12
13
14
15
16
17
17
18
19
20
21
21
21
22
23
24
25
25
25
26
27
28
28
29
30
31
32
33
| Позиция на иллюстрации | Заводской номер детали | Название детали | |
|---|---|---|---|
| 1 | 31-09С2 | Насос масляный | |
| 2 | 31-09С4 | Корпус | |
| 3 | 31-09С5 | Крышка | |
| 4 | 31-09С9А | Маслоприемник | |
| 5 | 31-09С11 | Труба | |
| 6 | 31-09С12 | Труба | |
| 7 | 31-09С13 | Клапан | |
| 8 | 31-0901А | Корпус масляного насоса | |
| 9 | 31-0902 | Крышка корпуса | |
| 10 | 31-0904 | Колесо зубчатое | |
| 11 | 21-09С6 | Валик насоса | |
| 12 | 21-09С7 | Колесо зубчатое ведомое | |
| 13 | 31-0928 | Прокладка маслоприемника | |
| 14 | 31-0929 | Корпус клапана | |
| 15 | 31-0934 | Шайба стопорная | |
| 16 | 14-0908 | Валик ведомого зубчатого колеса | |
| 17 | 14-0910 | Втулка маслонасоса | |
| 18 | 14-0936А | Шайба стопорная | |
| 19 | СМД55У-0913Б | Пружина | |
| 20 | СМД55У-0914 | Втулка резьбовая | |
| 21 | СМД55У-0927 | Прокладка | |
| 22 | У5-0915А | Клапан | |
| 23 | СМД7-0916 | Кольцо стопорное | |
| 24 | 11Д-0936 | Штуцер | |
| 25 | М8-6gх20.88 | Болт | |
| 26 | М10-6gх30.88 | Болт | |
| 27 | М14х1,5-6Н.6 | Гайка | |
| 28 | 8.65Г.05 | Шайба | |
| 29 | 10.65Г.05 | Шайба | |
| 30 | Ш3-8,5х | Шайба замковая | |
| 31 | ШШС-9х20х2 | Шайба специальная | |
| 32 | 5х6,5 | Шпонка сегментная | |
| 33 | 5h8х14 | Штифт |
Содержащиеся в справочниках-каталогах запасные части и детали не предлагаются к продаже, а носят исключительно информационный характер