Каталог запасных частей к технике: СМД 31А (Каталог РСМ). Головка цилиндров
1
1
2
2
2
3
3
4
5
5
5
6
7
7
8
9
10
11
12
13
14
15
16
17
17
18
18
19
19
20
21
22
23
24
25
26
27
27
28
28
29
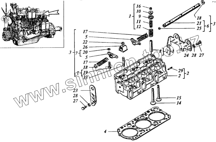
| Позиция на иллюстрации | Заводской номер детали | Название детали | |
|---|---|---|---|
| 1 | 31-06С3 | Головка цилиндров | |
| 2 | 31-06С4-1 | Головка цилиндров | |
| 3 | 31-06С14 | Механизм газораспределения передаточный | |
| 4 | 31-06С11 | Прокладка головки цилиндров | |
| 5 | СМД1-06С3-1 | Коромысло клапана со втулкой | |
| 5 | 14Н-06С3 | Коромысло клапана с втулкой или СМД1-06С3-1 | |
| 6 | 31-06С18 | Ось коромысел | |
| 7 | 14-06С26 | Винт регулировочный с гайкой | |
| 8 | 31-0603 | Втулка направляющая | |
| 9 | 20-0640 | Тарелка | |
| 10 | 20-0642 | Втулка тарелки | |
| 11 | 15КФ-0663А | Пружина клапана | |
| 12 | 15КФ-0694А | Пружина клапана внутренняя | |
| 13 | 31-0695 | Шпилька | |
| 14 | А05.11.070 | Клапан впускной | |
| 15 | А05.11.080 | Клапан выпускной | |
| 16 | А67.11.001 | Сухарь клапана | |
| 17 | У5-0622 | Пружина распорная средняя | |
| 18 | СМД7-0688 | Кольцо стопорное | |
| 19 | У5-0672А | Винт регулировочный | |
| 19 | 14Н-0672 | Винт регулировочный или У5-0672А | |
| 20 | 14-0696 | Гайка | |
| 21 | 32-0644 | Ось коромысел | |
| 22 | 60-06165.00 | Гайка | |
| 23 | 31-0610А | Кронштейн грузовой | |
| 24 | 31-0611А | Кронштейн грузовой | |
| 25 | 31-0687 | Заглушка | |
| 26 | 60-06141.01 | Стойка осей коромысел | |
| 27 | М14-6gх25.88 | Болт | |
| 28 | 14.65Г.05 | Шайба | |
| 29 | М10х35.88 | Шпилька |
Содержащиеся в справочниках-каталогах запасные части и детали не предлагаются к продаже, а носят исключительно информационный характер