Каталог запасных частей к технике: СМД 23 (Каталог РСМ). Установка гидронасоса
1
1
2
3
4
5
6
7
8
9
10
11
12
13
14
15
16
16
17
18
19
20
21
21
22
23
24
25
26
27
28
29
30
31
32
32
33
34
34
34
35
36
37
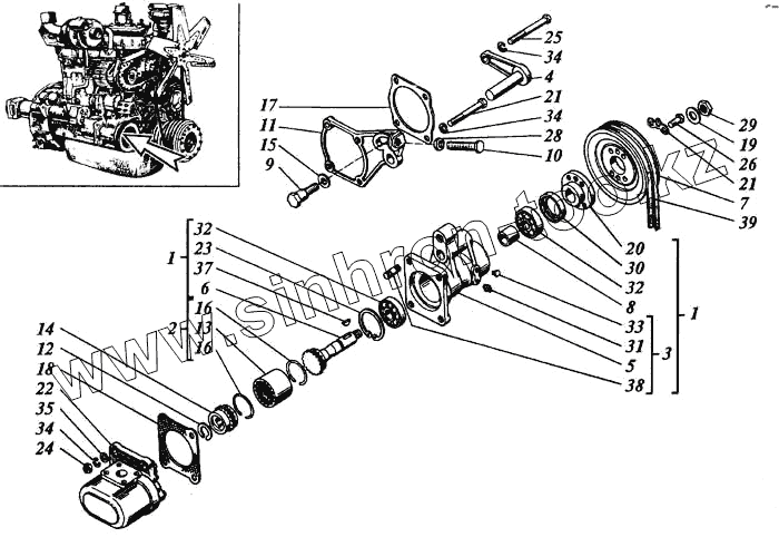
| Позиция на иллюстрации | Заводской номер детали | Название детали | |
|---|---|---|---|
| 1 | 31А-26С2 | Привод гидронасоса | |
| 2 | 31А-26С3 | Муфта предохранительная | |
| 3 | 31А-26С4 | Корпус привода | |
| 4 | 31А-26С5 | Серьга | |
| 5 | 31А-2601 | Корпус привода | |
| 6 | 31А-2602 | Валик | |
| 7 | 31А-2603 | Шкив | |
| 8 | 31А-2604 | Втулка | |
| 9 | 31А-2607 | Болт | |
| 10 | 31А-2608 | Болт специальный | |
| 11 | 31А-2609-1 | Кронштейн гидронасоса | |
| 12 | 31А-2610 | Кольцо ограничительное | |
| 13 | 31А-2611 | Муфта предохранительная | |
| 14 | 31А-2612 | Втулка муфты | |
| 15 | 31А-2613 | Шайба | |
| 16 | 31А-2614 | Кольцо упорное | |
| 17 | СМД2-2615-1 | Прокладка | |
| 18 | СМД2-2616-1 | Прокладка | |
| 19 | 31А-1312 | Шайба | |
| 20 | 60-13110.00 | Ступица шкива вентилятора | |
| 21 | 60-13157.00 | Шайба стопорная | |
| 22 | НШ-32-3 | Насос шестеренный | |
| 23 | 31А-2615 | Кольцо упорное | |
| 24 | М10-6gх95.88 | Болт | |
| 25 | М10-6gх110.88 | Болт | |
| 26 | М12-1,25-6gх25.88 | Болт | |
| 27 | М10-6Н.6 | Гайка | |
| 28 | М14-6Н.6 | Гайка | |
| 29 | 1,2-45х65-1 | Манжета | |
| 30 | 2.3.45Ц6 | Масленка | |
| 31 | 305А | Подшипник | |
| 32 | КГ1/8" | Пробка | |
| 33 | 1065Г05 | Шайба | |
| 34 | 10х1,5.04.05 | Шайба | |
| 35 | 6х9 | Шпонка сегментная | |
| 36 | М10х28.56 | Шпилька | |
| 37 | 1-14х13-1280 | Ремень зубчатый | |
| 38 | М12-6Н.6 | Шайба |
Содержащиеся в справочниках-каталогах запасные части и детали не предлагаются к продаже, а носят исключительно информационный характер