Каталог запасных частей к технике: СМД 23 (Каталог РСМ). Картер маховика
1
1
2
2
3
3
4
5
6
7
8
9
10
11
12
13
14
15
16
17
17
18
19
20
21
22
23
24
25
25
25
26
27
28
29
30
31
32
33
34
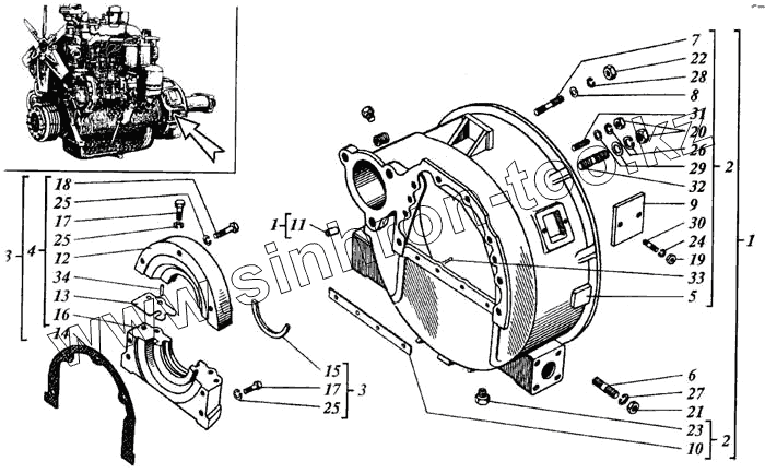
| Позиция на иллюстрации | Заводской номер детали | Название детали | |
|---|---|---|---|
| 1 | 23-01С3 | Картер маховика | |
| 2 | 23-01С16 | Картер маховика | |
| 3 | 14-01С7А | Уплотнение коленчатого вала | |
| 4 | 14-01С9 | Корпус уплотнения в сборе | |
| 5 | 23-0103А | Картер маховика | |
| 6 | 14-0115 | Шпилька картера маховика | |
| 7 | 14-0121 | Шпилька | |
| 8 | 14-0150 | Шайба | |
| 9 | 31-0150 | Крышка | |
| 10 | СМД14-0138 | Уплотнение картера маховика | |
| 11 | СМД55-0410 | Штифт установочный | |
| 12 | СМД55-0104 | Корпус уплотнения верхний | |
| 13 | 14-0148 | Прокладка | |
| 14 | СМД14-0149 | Прокладка | |
| 15 | СМД55-0134 | Сальник | |
| 16 | 14-0176А | Корпус уплотнения нижний | |
| 17 | М10-6gх25.88 | Болт | |
| 18 | М10-6gх40.88 | Болт | |
| 19 | Н-5841 | Втулка резьбовая | |
| 20 | М6-6Н.6 | Гайка | |
| 21 | М12-6Н.6 | Шайба | |
| 22 | М14-6Н.6 | Гайка | |
| 23 | М16х1,5-6Н.8 | Гайка | |
| 24 | 3КГ1/2" | Пробка | |
| 25 | 3КГ1/4" | Пробка | |
| 26 | 665Г05 | Шайба | |
| 27 | 1065Г05 | Шайба | |
| 28 | 1265Г05 | Шайба | |
| 29 | 1465Г05 | Шайба | |
| 30 | 1665Г05 | Шайба | |
| 31 | 12х2.04.05 | Шайба | |
| 32 | М6х16.88 | Шпилька | |
| 33 | М12-30.88 | Шпилька | |
| 34 | М12-35.88 | Шпилька | |
| 35 | 3,2х20.005 | Шплинт | |
| 36 | 8h8х20 | Штифт |
Содержащиеся в справочниках-каталогах запасные части и детали не предлагаются к продаже, а носят исключительно информационный характер