Каталог запасных частей к технике: СМД 23 (Каталог РСМ). Генератор
1
2
3
4
5
6
7
8
9
10
11
12
13
14
15
16
17
18
19
20
21
22
23
24
24
25
26
27
28
29
30
30
31
31
32
32
33
33
34
35
35
35
35
35
35
36
36
37
37
38
38
39
39
40
40
41
41
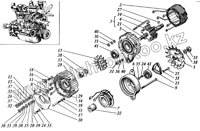
| Позиция на иллюстрации | Заводской номер детали | Название детали | |
|---|---|---|---|
| 1 | 151.3701050 | Шкив с крыльчаткой | |
| 2 | 12-3701100 | Статор | |
| 3 | 15-3701200 | Ротор | |
| 4 | 15-3701210 | Пакет ротора | |
| 5 | Г309-3701300-10 | Крышка задняя | |
| 6 | Г309-3701410 | Крышка передняя | |
| 7 | 12.3701420 | Катушка возбуждения | |
| 8 | 15.3701005 | Втулка | |
| 9 | Г309-37010111 | Болт М6х128 | |
| 10 | 122.3701012 | Крышка выпрямителя | |
| 11 | Г306-3701012-02 | Болт вывода М5х22 | |
| 12 | 15.3701013 | Шайба | |
| 13 | Г309-3701013-11 | Крыльчатка | |
| 14 | Г309-3701014 | Болт стяжной | |
| 15 | 15.3701014 | Шайба | |
| 16 | 15.3701015 | Втулка | |
| 17 | Г309-3701017 | Винт М5 | |
| 18 | Г309-3701019 | Болт М8х1х28 | |
| 19 | 11.3701021 | Шайба изоляционная | |
| 20 | 11.3701022 | Шайба | |
| 21 | 15.3701201 | Вал | |
| 22 | 15.3701203-10 | Втулка | |
| 23 | Г309-3701402 | Крышка подшипника | |
| 24 | 001300-03 | Винт М5-6gх10.5 | |
| 25 | 001300-13 | Винт М5-6ggх26.48 | |
| 26 | 002500-08 | Шайба 8х1 | |
| 27 | 616А | Шпонка сегментная | |
| 28 | БПВ22-100-У2 | Блок | |
| 29 | 2100 | Гайка М4-6Н.5А | |
| 30 | 002100-02 | Гайка М5-6Н.5А | |
| 31 | 002100-03 | Гайка М6-6Н.5А | |
| 32 | 002100-04 | Гайка М8х1-6Н.5А | |
| 33 | 002100-07 | Гайка М16х1,5-6Н.5А | |
| 34 | 4Л | Шайба | |
| 35 | 5Л | Шайба | |
| 36 | 6Л | Шайба | |
| 37 | 8.65Г.016 | Шайба | |
| 38 | 16Л.65Г | Шайба | |
| 39 | 002500-03 | Шайба 5.01.016 | |
| 40 | 002500-05 | Шайба 6.01.016 | |
| 41 | 70180504С9Ш | Шарикоподшипник |
Содержащиеся в справочниках-каталогах запасные части и детали не предлагаются к продаже, а носят исключительно информационный характер