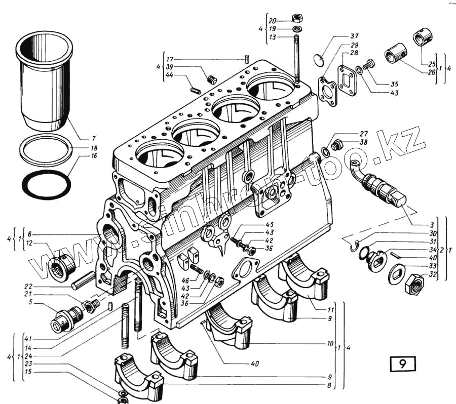
Каталог запасных частей к технике: СМД 21...-24 (1998 г. Москва). Блок-картер
1
2
3
4
5
6
7
8
9
10
11
12
13
14
15
16
17
18
19
20
21
22
23
24
25
26
27
28
29
30
31
32
33
34
35
36
37
38
39
40
41
42
43
44
45
46
| Позиция на иллюстрации | Заводской номер детали | Название детали | |
|---|---|---|---|
| А57.02.025А2 | А57.02.025А2 | Втулка распределительного вала средняя | |
| 22-01С2Б-01 | 22-01С2Б-01 | Блок-картер | |
| 1 | 22-0102Б | Блок-картер | |
| 2 | 22-01С6А | Установка форсунки | |
| 3 | 22-01СТА | Форсунка | |
| 4 | 22-01С13 | Блок-картер | |
| 5 | 14-01С18А | Палец с заглушкой | |
| 6 | 22-0101Г-01 | Блок-картер | |
| 7 | 14-0102 | Гильза цилиндра | |
| 8 | 14-0104-2А | Крышка первого коренного подшипника | |
| 9 | 14-0105-3А | Крышка второго и четвертого коренных подшипников | |
| 10 | 14-0106-3А | Крышка третьего коренного подшипника | |
| 11 | 14-0107-3А | Крышка четвертого коренного подшипника | |
| 12 | СМД14-0109 | Подшипник распределительного вала передний | |
| 13 | 14-0116 | Шпилька крепления головки | |
| 14 | 14-0117-1 | Шпилька коренных подшипников | |
| 15 | СМД1-0118 | Гайка коренных подшипников | |
| 16 | СМД9-0128А | Кольцо уплотнительное | |
| 17 | СМД1-0130 | Втулка | |
| 18 | 14-0141 | Кольцо | |
| 19 | 14-0150 | Шайба | |
| 20 | 14-0163 | Гайка | |
| 21 | СМД7-0164 | Пробка | |
| 22 | СМД7-0166 | Втулка направляющая | |
| 23 | СМД7-0168 | Шайба специальная | |
| 24 | 14-0185 | Шпилька коренных подшипников | |
| 25 | А57.02.025 | Втулка распределительного вала средняя | |
| 26 | А57.02.024 | Втулка распределительного вала задняя | |
| 27 | СМД7-0684 | Прокладка | |
| 28 | 15-0112 | Крышка задняя | |
| 29 | СМД1-1329 | Прокладка патрубка | |
| 30 | 22-0147 | Фиксатор | |
| 31 | 22-0148 | Кольцо уплотнительное | |
| 32 | 22-0149 | Гайка специальная | |
| 33 | 22-0150 | Шайба стопорная | |
| 34 | 22-0151 | Втулка | |
| 35 | М10-6gс25.88 | Болт | |
| 36 | М10-6Н.6 | Гайка | |
| 37 | 60-08 | Заглушка | |
| 38 | 14-0110 | Пробка резьбовая | |
| 39 | 4КГ3/8" | Пробка | |
| 40 | 5h8х10 | Штифт цилиндрический | |
| 41 | 8h8х20 | Штифт | |
| 42 | 1065Г05 | Шайба | |
| 43 | 10х1,5.04.05 | Шайба | |
| 44 | М8х20.88 | Шпилька | |
| 45 | М10х22.88 | Шпилька | |
| 46 | М10х28.56 | Шпилька |
Содержащиеся в справочниках-каталогах запасные части и детали не предлагаются к продаже, а носят исключительно информационный характер