Вернуться на главную
Поиск
Каталоги запчастей к технике
Двигатели
SDEC
SC11CB220G2B1
Housing group-flywheel
Каталог запасных частей к технике: SDEC SC11CB220G2B1. Housing group-flywheel
zoom-in
zoom-out
enlarge
shrink
circle-right
circle-left
file-text2
info
cart
Тип техники
Не выбрано
Легковые автомобили
Грузовые автомобили и прицепы
Автобусы
Сельхозтехника
Спецтехника
Двигатели
Мототехника
Марка
Не выбрано
BAW
Caterpillar
Cummins
DCEC
DongFeng
Doosan
FAW
Great Wall
Hitachi
HOWO
HSW
IVECO
Komatsu
LGMG
Perkins
Raywin
SDEC
Shaanxi
Valmet
Weichai
XINCHAI
YTO
Yuchai
ZF
Алтайдизель
Барнаултрансмаш
ВТЗ
ГАЗ
ЗиД
ЗМЗ
Камский автозавод
ММЗ
СМД
ТМЗ
УМЗ
ЧТЗ
ЮМЗ
ЯЗДА
ЯМЗ
Модель
Не выбрано
SC11CB220G2B1 (2013)
SC9D220G2B1 (2015)
SC9DF260Q5
SC9DF290Q4 (2015)
SDEC 6CL280-2 (2015)
SDEC 6CL320-2
SDEC C6121ZG57a (2010)
SDEC серии 6114В (2010)
Схема
>
Не выбрано
Cylinder block
Seal group-crankshaft
Filler group-oil
Pan group-oil
Gage group-oil level
Cover group
Piston and group-rod
Crankshaft group
Pulley group-crankshaft
Flywheel group
Damper group
Muffler group
Camshaft group
Lines group-air
Manifold group-exhaust
Cleaner group-air
Oil pump assembly (double section)
Drive group-fan
Fan and guard group
Cooler and filter group-oil
Cooler group-oil
Lines group-engine oil
Lines group-turbocharger oil
Pump group-water
Regulator and group-housing
Lines group-water
Lines group-drain
Support group-engine
Compressor group-air
Lines group-air compressor
Shut-off group-electrical
Front oil seal seat assembly (trunnion)
Filter group-secondary
Housing group-flywheel
Turbocharger group
Plate
Cover group, cylinder head
Fastener group, cylinder head
Engine lifting group
Gear group-front
Exhaust ejection group
Motor group
Alternator group
Air intake and exhaust kine group
Ejector group-dust
Pulley group, fan, v-belt group
Radiator pipes group
Puel injection lines group
Support group-engine
Front housing, cover and fastener group
Mehanism group-valve
Valve cover group
Cap group, breather
Fumes disposal group
Pump group-gov
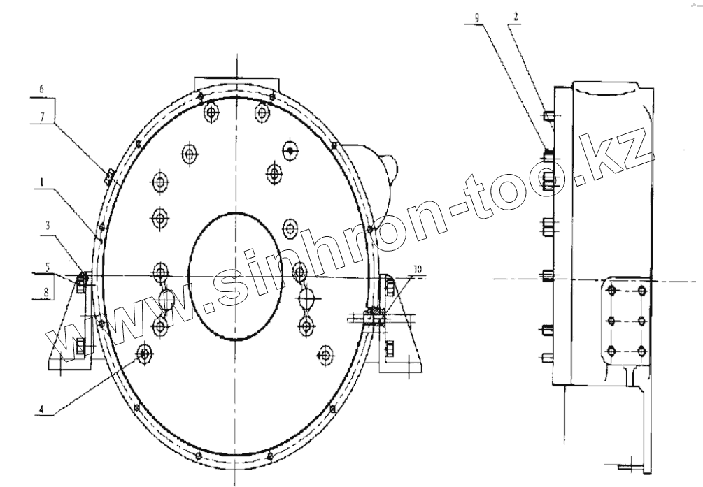
1
2
3
4
5
6
7
8
9
10
Позиция на иллюстрации
Заводской номер детали
Название детали
1
4110001003130
Housing
2
4110000907184
Gasket
3
4110001003060
Bracket
4
4110000186254
Screw
5
4110000186428
Screw
6
4110000186412
Plug
7
4110001003145
Gasket
8
4110000036064
Washer
9
4110000186053
Plug
10
4110000186394
Pin
Содержащиеся в справочниках-каталогах запасные части и детали не предлагаются к продаже, а носят исключительно информационный характер
Дополнительная информация
×
Название:
Номер:
Примечание: