Вернуться на главную
Поиск
Каталоги запчастей к технике
Двигатели
Perkins
1106D
ACHP0010 Cylinder Block and Liners Plate A
Каталог запасных частей к технике: Perkins 1106D. ACHP0010 Cylinder Block and Liners Plate A
zoom-in
zoom-out
enlarge
shrink
circle-right
circle-left
file-text2
info
cart
Тип техники
Не выбрано
Легковые автомобили
Грузовые автомобили и прицепы
Автобусы
Сельхозтехника
Спецтехника
Двигатели
Мототехника
Марка
Не выбрано
BAW
Caterpillar
Cummins
DCEC
DongFeng
Doosan
FAW
Great Wall
Hitachi
HOWO
HSW
IVECO
Komatsu
LGMG
Perkins
Raywin
SDEC
Shaanxi
Valmet
Weichai
XINCHAI
YTO
Yuchai
ZF
Алтайдизель
Барнаултрансмаш
ВТЗ
ГАЗ
ЗиД
ЗМЗ
Камский автозавод
ММЗ
СМД
ТМЗ
УМЗ
ЧТЗ
ЮМЗ
ЯЗДА
ЯМЗ
Модель
Не выбрано
1006-6T (2010)
1106D (2012)
Схема
>
Не выбрано
ACE39876 Short Engine Plate A
ACHP0010 Cylinder Block and Liners Plate A
ACHP0010 Rear End Oil Seal Plate A
HBH03158 Cylinder Head Cover Plate A
HBH03158 Cylinder Head Cover (From Engine Number U000881N, Upto Engine Number U003602P) Plate C
HBH03158 Cylinder Head Cover (From Engine Number U003603P) Plate F
HBH03158 Cylinder Head Cover Base (Upto Engine Number U000880N) Plate b
HBH03158 Cylinder Head Cover Base (From Engine NumberU000881N, Upto Engine Number U001906P) Plate D
HBH03158 Cylinder Head Cover Base (From Engine Number U001907P) Plate E
KBH00709 Front End Drive Input (Upto Engine Number U030232V) Plate A
KBH00709 Front End Drive Input (From Engine Number U030233V) Plate B
QCH00049 Timing Case Plate A
QCH00049 Timing Case Plate B
QCH00049 Timing Cover Plate A
XBH00469 Engine Lifting Eyes Plate A
ACHP0010 Crankshaft, Main and Big End Bearings (Upto Engine Number U030232V) Plate A
ACHP0010 Crankshaft, Main and Big End Bearings (From Engine Number U030233V) Plate B
ACHP0010 Crankshaft, Main and Big End Bearings Plate B
ACHP0010 Pistons and Rings Plate A
ACHP0010 Connecting Rods (Upto Engine Number U023763U) Plate A
АСНР0010 Connecting Rods (From Engine Number U023764U) Plate A
ACHP0010 Cylinder Head Assembly (Upto Engine Number U001906P) Plate A
ACHP0010 Cylinder Head Assembly (From Engine Number U001907P) Plate B
ACHP0010 Rocker Shaft Assembly Plate A
ACHP0010 Timing Gear and Camshaft Plate A
AFH04639 High Pressure Fuel Pump Plate A
AFH04639 Fuel Rail (Upto Engine Number U022142T) Plate A
AFH04639 Fuel Rail (From Engine Number U022143T) Plate A
AFH04639 Atomisers Plate A
AFH04639 High Pressure Fuel Pipes Plate A
AFH04639 Pipework Plate A
VBH02553 Low Pressure Fuel Pipes Plate A
VBH02553 Low Pressure Fuel Pipes Plate B
VBH02553 Fuel Leak-Off Pipe Plate A
VBH02553 Fuel Leak-Off Pipe Plate B
VBH02553 Fuel Filter Plate A
VDH00015 Fuel Filter (Upto Engine Number U004628P) Plate A
VDH00015 Fuel Filter (From Engine Number U004629P) Plate A
ZVH01037 Fuel Pre-Lift Pump Plate B
ZVH01037 Water Trap (Upto Engine Number U010829S) Plate A
ZVH01037 Water Trap (From Engine Number U010830S) Plate B
AFH04639 Engine Control Module (Upto Engine Number U021093T) Plate A
AFH04639 Engine Control Module (From Engine Number U021094T) Plate A
AFH04639 Engine Control Module Plate B
AFH04639 Engine Control Module Plate C
AFH04639 Sensors Plate A
AFH04639 Sensors Plate B
AFH04639 Sensors Plate C
CDH01077 Flywheel Housing Plate A
DDH02053 Flywheel and Starter Ring Plate A
EDH00939 Starter Motor Plate A
GBH02855 Sump Plate A
GBH02855 Dipstick and Filler Tube Plate A
GBH02855 Oil Strainer Plate A
HBH03158 Breather (Upto Engine Number U003602P) Plate A
НВН03158 Breather (From Engine Number U003603P) Plate B
HDH00002 Filler Plate A
JBH02569 Oil Cooler Plate A
JBH02569 Oil Filter Plate A
RBH00032 Lubricating Oil Pump and Delivery Housing Plate A
ZJH00544 Lubricating Oil Pressure Switch/Gauge Plate A
ZJH00544 Lubricating Oil Pressure Switch/Gauge Plate B
FBH01079 Fan Drive Plate A
LBH02281 Water Pump (Upto Engine Number U023762U) Plate A
LBH02281 Water Pump (From Engine Number U023763U) Plate B
LBH02281 Pipes Plate A
LDH00712 Water Outlet Housing Plate A
MDH01457 Fan Plate A
ZMH01391 Radiator and Cowling Plate A
ZMH01391 Radiator Bracket and Fixings (Upto Engine Number U004996P) Plate A
ZMH01391 Radiator Bracket and Fixings (From Engine Number U004997P) Plate A
ZMH01391 Radiator Bracket and Fixings Plate B
ZMH01391 Radiator and Hoses Plate A
ZMH01391 Radiator and Hoses Plate B
NDH02830 Alternator Plate A
NDH02830 Pulleys Plate A
NDH02830 Alternator Bracket and Fixings Plate A
HBH03158 Blanking Plates (Upto Engine Number U0089634) Plate A
HDH00002 Blanking Plates Plate A
HDH00002 Blanking Plates Plate B
JDH00038 Oil Filter Plate A
JBH02569 Blanking Plates Plate A
QDH01415 Blanking Plugs Plate A
ZCH01201 Engine Mounts Plate A
SBH01678 Turbocharger Plate A
SBH01678 Feed Pipes Plate A
SBH01678 Leak-Off Pipes Plate A
SBH01678 Wastegate Sensor Plate A
SBH01678 Pipework and Connections Plate A
SBH01678 Air Filters Plate A
SBH01678 Air Filters Plate B
TBH00939 Induction Manifold Plate A
TBH00939 Pipework and Connections Plate A
WDH00372 Heater Plugs Plate A
SBH01678 Exhaust Manifold Plate A
SDH00420 Exhaust Outlet Plate A
ZNH00267 Wiring Looms Plate A
ZNH00267 Wiring Loom Service Connectors Plate A
ZMH01391 Guards Plate A
ZMH01391 Guards Plate B
VBH02553 Miscellaneous Plate A
ZZH01054 Miscellaneous and Auxiliaries Plate A
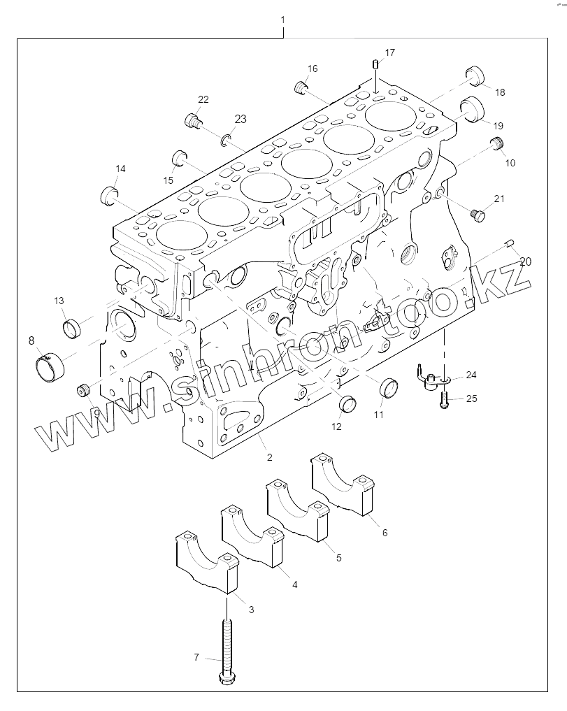
1
2
3
4
5
6
7
8
9
10
11
12
13
14
15
16
17
18
19
20
21
22
23
24
25
Позиция на иллюстрации
Заводской номер детали
Название детали
1
4181V021
Cylinder block assembly
2
CYLINDERBLOCK
Cylinder block
3
BEARINGCAP
Bearing cap
4
BEARINGCAP
Bearing cap
5
BEARINGCAP
Bearing cap
6
BEARINGCAP
Bearing cap
7
3218A511
Screw
8
3112D091
Camshaft bush
9
3212P008
Plug
10
3212P008
Plug
11
2485A526
Plug
12
650710
Plug
13
2485A526
Plug
14
3241A011
Plug
15
650710
Plug
16
2431154
Plug
17
3244A009
Dowel
18
2485A526
Plug
19
3241A012
Plug
20
350010
Dowel
21
32141316
Plug
22
3278A006
Plug
23
2415H519
Seal - o ring
24
2113A003
Piston cooling jet
25
2314F001
Screw
Содержащиеся в справочниках-каталогах запасные части и детали не предлагаются к продаже, а носят исключительно информационный характер
Дополнительная информация
×
Название:
Номер:
Примечание: