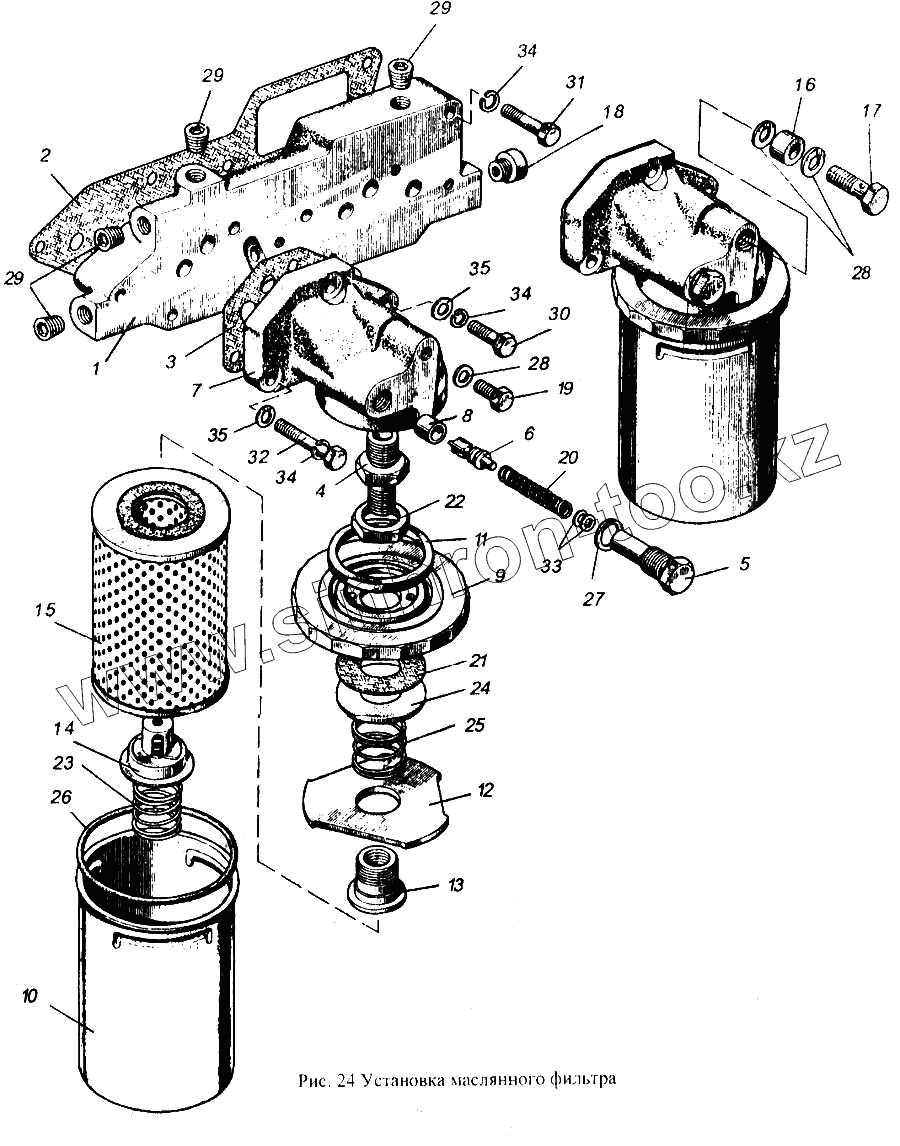
Каталог запасных частей к технике: ММЗ Д-265. Установка масляного фильтра
1
2
3
4
5
6
7
8
9
10
11
12
13
14
15
16
17
18
19
20
21
22
23
24
25
26
27
28
30
31
32
33
34
35
| Позиция на иллюстрации | Заводской номер детали | Название детали | |
|---|---|---|---|
| 265-1017110 | 265-1017110 | Плита | |
| 260-1017020 | 260-1017020 | Корпус фильтра | |
| 260-1017010 | 260-1017010 | Фильтр масляный | |
| 260-1017030 | 260-1017030 | Фильтр | |
| 1 | 265-1017101 | Плита | |
| 2 | 265-1017102 | Прокладка | |
| 3 | 260-1017001 | Прокладка | |
| 4 | 260-1017012 | Штуцер | |
| 5 | 260-1017014 | Пробка | |
| 6 | 260-1017017 | Клапан | |
| 7 | 260-1017022 | Корпус фильтра | |
| 8 | 260-1017024 | Вставка | |
| 9 | 260-1017032 | Дно | |
| 10 | 260-1017033 | Колпак | |
| 11 | 260-1017036 | Прокладка | |
| 12 | 260-1017042 | Прижим | |
| 13 | 260-1017044 | Штуцер | |
| 14 | 260-1017050 | Клапан перепускной | |
| 15 | 260-1017060 | Элемент фильтрующий | |
| 16 | 260-1013013 | Втулка | |
| 17 | 260-1013018 | Болт штуцера | |
| 18 | 260-1013019 | Пробка | |
| 19 | 260-1013034 | Пробка | |
| 20 | 50-1404083-А | Пружина сливного клапана | |
| 21 | 2105-1012009-ММЗ | Клапан антидренажный | |
| 22 | 2105-1012011-ММЗ | Гайка | |
| 23 | 2105-1012012-ММЗ | Пружина | |
| 24 | 2105-1012051-ММЗ | Шайба | |
| 25 | 2105-1012052-ММЗ | Пружина | |
| 26 | 100-4-4-10Д | Кольцо | |
| 27 | ДО9-035-А | Прокладка | |
| 28 | Д18-055-А-01 | Кольцо уплотнительное | |
| 29 | ЗКГ3/8"10кп019 | Пробка | |
| 30 | М10-6gх35.88.35.016 | Болт | |
| 31 | М10-6gх55.88.35.016 | Болт | |
| 32 | М10-6gх70.88.35.016 | Болт | |
| 33 | 5.01.08кп.016 | Шайба | |
| 34 | 10.65Г.016 | Шайба | |
| 35 | 10.01.08кп.016 | Шайба |
Содержащиеся в справочниках-каталогах запасные части и детали не предлагаются к продаже, а носят исключительно информационный характер