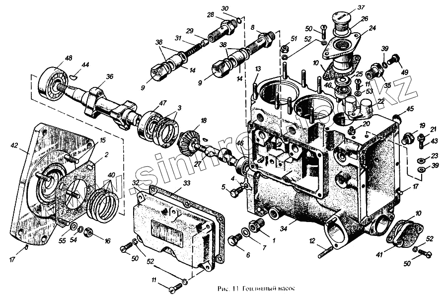
Каталог запасных частей к технике: ММЗ Д-265. Топливный насос
1
2
3
4
5
6
7
8
9
10
11
12
13
14
15
16
17
18
19
20
21
22
23
24
25
26
27
28
29
30
31
32
33
34
35
36
37
38
39
40
40
40
41
42
43
44
45
46
47
48
49
50
51
52
53
54
55
| Позиция на иллюстрации | Заводской номер детали | Название детали | |
|---|---|---|---|
| 26.1111003 | 26.1111003 | Топливный насос | |
| 1 | 21.1111026 | Втулка резьбовая | |
| 2 | 21.1111076-01 | Прокладка уплотнительная | |
| 3 | 21.1111078-01 | Прокладка регулировочная | |
| 4 | 21.1111126-06 | Шайба стопорная | |
| 5 | 21.1111127-07 | Винт установочный толкателя | |
| 6 | 21.1111207 | Пробка уровня масла | |
| 7 | 21.1111211-01 | Прокладка | |
| 8 | 21.1111246 | Шпилька штуцера подвода топлива | |
| 9 | 21.1111248 | Гайка штуцера подвода топлива | |
| 10 | 21.1111304 | Прокладка | |
| 11 | 21.1111349 | Винт | |
| 12 | 21.1111355 | Шпилька | |
| 13 | 21.1111356 | Шпилька | |
| 14 | 21.1111378 | Заглушка транспортная | |
| 15 | 21.1111383-01 | Шпилька крепления топливного насоса | |
| 16 | 21.1111389 | Гайка | |
| 17 | 21.1110042 | Штифт (допускается штифт 5h8х10) | |
| 18 | 21.1110064 | Шестерня ведущая | |
| 19 | 21.1110188 | Пробка | |
| 20 | 21.1110361 | Винт регулировочный | |
| 21 | 21.1110362 | Гайка | |
| 22 | 21.1110363 | Колпачок | |
| 23 | 21.1110365 | Шайба | |
| 24 | 21.1110504-10 | Крышка верхняя регулятора | |
| 25 | 21.1110512 | Лимб | |
| 26 | 21.1110513 | Прокладка | |
| 27 | 21.1106341 | Вал привода топливоподкачивающего насоса | |
| 28 | 21.1106424 | Корпус демпфера | |
| 29 | 21.1106425 | Поршень | |
| 30 | 21.1106426 | Кольцо стопорное | |
| 31 | 21.1106427 | Пружина демпфера | |
| 32 | 22.1111100-10 | Крышка боковая с табличкой | |
| 33 | 22.1111106 | Прокладка боковой крышки насоса | |
| 34 | 26.1111025 | Корпус насоса | |
| 35 | 26.1111026 | Втулка резьбовая | |
| 36 | 26.1111055 | Вал кулачковый | |
| 37 | 26.1110297 | Пробка | |
| 38 | 36-1104788-01 | Прокладка | |
| 39 | 48.1110369 | Кольцо уплотнительное | |
| 40 | 54.1111078 | Прокладка регулировочная | |
| 40 | 54.1111078-01 | Прокладка регулировочная | |
| 40 | 54.1111078-02 | Прокладка регулировочная | |
| 41 | 54.1111301 | Крышка привода | |
| 42 | 54.1111381-60 | Фланец установочный | |
| 43 | 54.1110361 | Винт регулировочный | |
| 44 | 4Х6,5 | Шпонка | |
| 45 | 14-10кл.Хим.Окс.Прм | Заглушка | |
| 46 | 29 | Подшипник | |
| 47 | 204 | Подшипник | |
| 48 | 304 | Подшипник | |
| 49 | М6Х14.88.016 | Болт | |
| 50 | М6Х18.88.016 | Винт | |
| 51 | М6.8.016 | Гайка | |
| 52 | 6.65Г.05 | Шайба | |
| 53 | 6.04.016 | Шайба | |
| 54 | 8.65Г.05 | Шайба | |
| 55 | 8Х2,5.06.016 | Шайба |
Содержащиеся в справочниках-каталогах запасные части и детали не предлагаются к продаже, а носят исключительно информационный характер