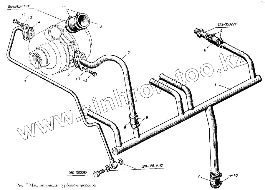
Каталог запасных частей к технике: ММЗ Д-265. Маслопроводы турбокомпрессора
1
2
3
4
5
6
7
8
9
10
11
12
13
| Позиция на иллюстрации | Заводской номер детали | Название детали | |
|---|---|---|---|
| 1 | 265-1003030 | Маслопровод | |
| 2 | 265-1118010 | Трубка сливная | |
| 3 | 265-1118030 | Трубка подводящая | |
| 4 | 245-1118016 | Прокладка | |
| 5 | 245-1118034-Б | Прокладка | |
| 6 | 20Х29-1,6 | Рукав | |
| 7 | 30Х39-3 | Рукав | |
| 8 | 50Х61,5-16 | Рукав | |
| 9 | ХЧП10-019 | Хомут | |
| 10 | ЧХП10-01.019 | Хомут | |
| 11 | ХЧП10-02.019 | Хомут | |
| 12 | М8-6gХ20.88.35.019 | Болт | |
| 13 | 8.65Г.019 | Шайба |
Содержащиеся в справочниках-каталогах запасные части и детали не предлагаются к продаже, а носят исключительно информационный характер