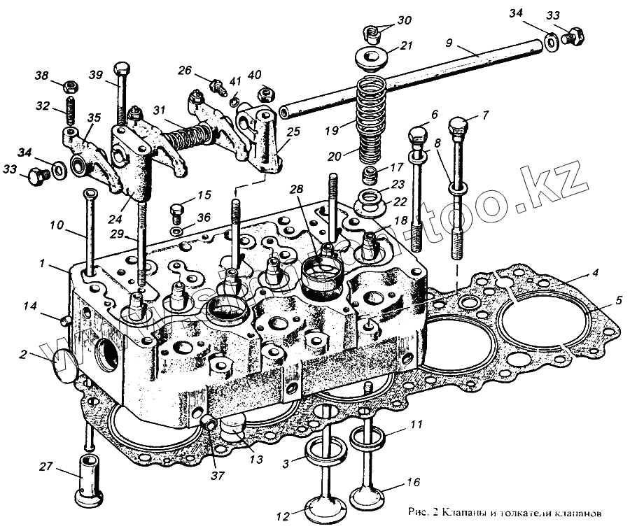
Каталог запасных частей к технике: ММЗ Д-265. Клапаны и толкатели клапанов
1
2
3
4
5
6
7
8
9
10
11
12
13
14
15
16
17
18
19
20
21
22
23
24
25
26
27
28
29
30
31
32
33
34
35
36
37
38
39
40
41
| Позиция на иллюстрации | Заводской номер детали | Название детали | |
|---|---|---|---|
| 260-1003013 | 260-1003013 | Головка цилиндров | |
| 260-10003012 | 260-10003012 | Головка цилиндров | |
| 260-1003075 | 260-1003075 | Прокладка головок | |
| 1 | 260-1003015 | Головка цилиндров | |
| 2 | 260-1003016 | Заглушка | |
| 3 | 260-1003018 | Седло клапана впускного | |
| 4 | 260-1003025 | Прокладка головок | |
| 5 | 260-1003031 | Кольцо | |
| 6 | 260-1003124 | Болт | |
| 7 | 260-1003124-01 | Болт | |
| 8 | 260-1005123 | Шайба | |
| 9 | 260-1007102 | Ось коромысел | |
| 10 | 260-1007310 | Штанга | |
| 11 | 245-1003019 | Седло клапана выпускного | |
| 12 | 245-1007014 | Клапан впускной | |
| 13 | 240-1003027 | Заглушка | |
| 14 | 240-1003037 | Заглушка | |
| 15 | 240-1003281 | Пробка | |
| 16 | 240-1007015-Б6 | Клапан выпускной | |
| 17 | 240-1007020 | Манжета уплотнительная клапана | |
| 18 | 240-1007032-Б | Втулка направляющая клапана | |
| 19 | 240-1007045-А1 | Пружина клапана наружная | |
| 20 | 240-1007046-А1 | Пружина клапана внутренняя | |
| 21 | 240-1007048 | Тарелка пружин клапана | |
| 22 | 240-1007054 | Шайба пружины клапана нижняя | |
| 23 | 240-1007055 | Шайба пружины клапана верхняя | |
| 24 | 240-1007151-Б-01 | Стойка оси коромысел крайняя | |
| 25 | 240-1007152-Б-01 | Стойка оси коромысел средняя | |
| 26 | 240-1007185 | Фиксатор оси коромысел | |
| 27 | 240-1007375-А | Толкатель клапана | |
| 28 | 50-1003103-А | Стакан | |
| 29 | 50-1003112 | Шпилька стойки | |
| 30 | 50-1007053-А1 | Сухарь клапана | |
| 31 | 50-1007103-А | Пружина оси коромысел | |
| 32 | 50-1007175-Б1 | Винт регулировочный | |
| 33 | 50-1007182 | Пробка оси коромысел | |
| 34 | 50-1107183 | Шайба пробки | |
| 35 | 50-1007212-А3 | Коромысло клапана со втулками | |
| 36 | 36-1104788 | Кольцо | |
| 37 | ДО2-003-А | Заглушка | |
| 38 | ДО2-063 | Гайка | |
| 39 | М12-6gХ85.88.35.019 | Болт | |
| 40 | М12-6Н.6 | Гайка | |
| 41 | 10.65Г.06 | Шайба |
Содержащиеся в справочниках-каталогах запасные части и детали не предлагаются к продаже, а носят исключительно информационный характер