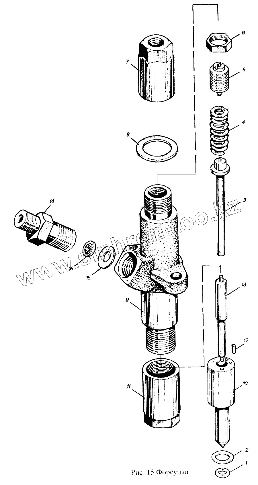
Каталог запасных частей к технике: ММЗ Д-265. Форсунки
1
2
3
4
5
6
7
8
9
10
11
12
13
14
15
16
| Позиция на иллюстрации | Заводской номер детали | Название детали | |
|---|---|---|---|
| 17.1112010-01 | 17.1112010-01 | Форсунка ФДМ-22 | |
| 17.1112110 | 17.1112110 | Распылитель | |
| 1 | 245-1111021-А | Обойма | |
| 2 | 245-1111022-А | Прокладка | |
| 3 | 41.1112130 | Штанга | |
| 4 | 41.1112192 | Пружина | |
| 5 | 41.1112196 | Винт | |
| 6 | 41.1112198 | Контргайка | |
| 7 | 41.1112204 | Колпак | |
| 8 | 41.1112206 | Прокладка | |
| 9 | 14.1112024 | Корпус форсунки | |
| 10 | 5РF2114 | Корпус | |
| 11 | 14.1112124 | Гайка распылителя | |
| 12 | 11.1112028 | Штифт | |
| 13 | 5РF2116 | Игла | |
| 14 | 11.1112154-01 | Штуцер | |
| 15 | 11.1112158 | Прокладка | |
| 16 | 11.1112170 | Фильтр |
Содержащиеся в справочниках-каталогах запасные части и детали не предлагаются к продаже, а носят исключительно информационный характер