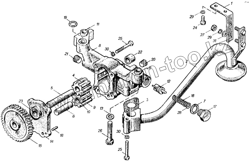
Каталог запасных частей к технике: ММЗ Д-260.4. Приемник масляного насоса и масляный насос
260-1011010
260-1011020
2
3
4
5
6
7
8
9
10
11
11
12
13
14
15
16
17
18
19
20
21
22
23
24
25
25
26
27
28
29
29
30
30
31
| Позиция на иллюстрации | Заводской номер детали | Название детали | |
|---|---|---|---|
| 260-1011010 | 260-1011010 | Насос с маслоприемником | |
| 260-1011020 | 260-1011020 | Насос масляный | |
| 1 | 260-1010002 | Кронштейн | |
| 2 | 260-1010010 | Маслоприемник | |
| 3 | 260-1011012 | Прокладка | |
| 4 | 260-1011021 | Шестерня ведущая | |
| 5 | 260-1011022 | Валик | |
| 6 | 260-1011023 | Палец | |
| 7 | 260-1011024 | Шайба | |
| 8 | 260-1011030 | Корпус насоса | |
| 9 | 260-1011040 | Шестерня ведомая | |
| 10 | 260-1011044 | Втулка | |
| 11 | 260-1013024 | Штифт | |
| 12 | 260-1017017 | Клапан | |
| 13 | 245-3701069 | Шайба | |
| 14 | 240-1403155 | Крышка | |
| 15 | 240-1403228 | Шестерня привода | |
| 16 | 50-1403233 | Штифт установочный | |
| 17 | 50-1404075 | Пробка | |
| 18 | 50-1404081-А | Пружина клапана | |
| 19 | 020-025-30-2-5 | Кольцо | |
| 20 | 2-КГ1/4"10кп.019 | Пробка | |
| 21 | 2-КГ3/8"10кп.019 | Пробка | |
| 22 | А57.03.026А | Втулка | |
| 23 | А57.03.027А | Втулка | |
| 24 | М8-6gх16.88.35.016 | Болт | |
| 25 | М8-6gх55.88.35.016 | Болт | |
| 26 | М12-6gх60.88.35.016 | Болт | |
| 27 | М8-6Н6 | Гайка | |
| 28 | 5.01.08кп.019 | Шайба | |
| 29 | 865Г.016 | Шайба | |
| 30 | 8Т.65Г.06 | Шайба | |
| 31 | 8.01.08кп.019 | Шайба |
Содержащиеся в справочниках-каталогах запасные части и детали не предлагаются к продаже, а носят исключительно информационный характер