Каталог запасных частей к технике: ММЗ Д-260.1. Регулятор топливного насоса
1
2
3
4
5
6
7
8
8
9
10
10
11
12
13
14
15
16
17
18
19
20
21
22
22
23
24
24
24
24
25
26
27
28
29
29
30
31
32
33
34
35
36
37
38
39
40
41
42
43
44
45
46
47
48
49
50
51
52
53
53
54
55
56
57
58
58
59
60
61
62
63
64
65
66
67
67
68
69
70
71
72
73
74
75
75
76
77
77
78
79
79
79
80
81
82
83
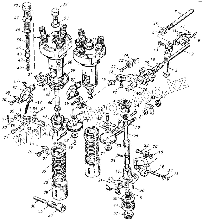
| Позиция на иллюстрации | Заводской номер детали | Название детали | |
|---|---|---|---|
| 1 | 21.1110031-10 | Тяга | |
| 2 | 21.1110032 | Шайба стопорная | |
| 3 | 21.1110039-10 | Замок | |
| 4 | 21.1110044 | Муфта регулятора | |
| 5 | 21.1110052 | Пружина демпферная | |
| 6 | 21.1110103-10 | Ось | |
| 7 | 21.1110181 | Ось рычага управления | |
| 8 | 21.1110183-01 | Кольцо уплотнительное | |
| 9 | 21.1110184-10 | Рычаг управления | |
| 10 | 21.1110187 | Втулка распорная | |
| 11 | 21.1110192 | Втулка рычажная | |
| 12 | 21.1110193 | Ось основного рычага | |
| 13 | 21.1110194-20 | Рычаг основной | |
| 14 | 21.1110196-20 | Палец эксцентриковый | |
| 15 | 21.1110197 | Шайба | |
| 16 | 21.1110212-10 | Ось тяги | |
| 17 | 21.1110213 | Штифт пружины запуска | |
| 18 | 21.1110304 | Ступица регулятора | |
| 19 | 21.1110306 | Ось груза регулятора | |
| 20 | 21.1110308 | Штифт | |
| 21 | 21.1110324 | Груз регулятора | |
| 22 | 21.1110326 | Ось ролика груза | |
| 23 | 21.1110327 | Замок | |
| 24 | 21.1110328 | Шайба груза | |
| 25 | 21.1110351 | Шайба блокировки вала регулятора | |
| 26 | 21.1110364 | Вал регулятора | |
| 27 | 21.1110366 | Шестерня ведомая | |
| 28 | 21.1110367 | Штифт | |
| 29 | 21.1110515 | Прокладка регулировочная | |
| 29 | 21.1110515-01 | Прокладка регулировочная | |
| 30 | 21.1111032 | Кольцо уплотнительное | |
| 31 | 21.1111035 | Чека монтажная | |
| 32 | 21.1111036-20 | Пробка | |
| 33 | 21.1111037-10 | Прокладка | |
| 34 | 21.1111118 | Ролик толкателя | |
| 35 | 21.1111118-01 | Ролик толкателя | |
| 36 | 21.1111124 | Ось ролика толкателя | |
| 37 | 21.1111134-10 | Тарелка пружины верхняя | |
| 38 | 21.1111136 | Тарелка пружины нижняя | |
| 39 | 21.1111138-10 | Пружина толкателя | |
| 40 | 21.1111154-01 | Плунжер | |
| 41 | 21.1111155-10 | Дозатор | |
| 42 | 21.1111156 | Кольцо уплотнительное | |
| 43 | 21.1111174-10 | Втулка зубчатая | |
| 44 | 21.1111211-01 | Прокладка | |
| 45 | 21.1111212 | Прокладка | |
| 46 | 21.1111224-01 | Клапан нагнетательный | |
| 47 | 21.1111225-05 | Клапан обратный | |
| 48 | 21.1111226-10 | Седло нагнетательного клапана | |
| 49 | 21.1111227 | Пружина обратного клапана | |
| 50 | 21.1111228 | Пружина нагнетательного клапана | |
| 51 | 21.1111242-06 | Ось промежуточной шестерни | |
| 52 | 21.1111243-05А | Шайба опорная | |
| 53 | 21.1111244А | Шестерня промежуточная | |
| 54 | 21.1111245 | Штифт | |
| 55 | 21.1111247 | Шайба стопорная | |
| 56 | 21.1111256-10 | Штуцер высокого давления | |
| 57 | 21.1111282 | Кольцо уплотнительное | |
| 58 | 21.1111285 | Шайба стопорная | |
| 59 | 21.1111389 | Гайка | |
| 60 | 22.1110032 | Шайба | |
| 61 | 22.1110033 | Скоба | |
| 62 | 22.1110034 | Тяга | |
| 63 | 22.1110036 | Тяга | |
| 64 | 22.1110211 | Пружина запуска | |
| 65 | 22.1111241 | Кронштейн промежуточной шестерни | |
| 66 | 22.1111242 | Ось промежуточной шестерни | |
| 67 | 22.1111280-10 | Втулка привода дозатора | |
| 68 | 26.1111158 | Втулка плунжера | |
| 69 | 49.1111114 | Толкатель плунжера | |
| 70 | 54.1111241 | Кронштейн промежуточной шестерни | |
| 71 | 54.1111243 | Шайба опорная | |
| 72 | 11.1112228 | Колпачок штуцера | |
| 73 | 6-25 | Подшипник | |
| 74 | 201 | Подшипник | |
| 75 | 942/8 | Подшипник | |
| 76 | 1000095 | Подшипник | |
| 77 | М5х12.88.05 | Болт | |
| 78 | М6х12.88.05 | Болт | |
| 79 | М6х14.88.05 | Болт | |
| 80 | 5.65Г.05 | Шайба | |
| 81 | 5.01.05 | Шайба | |
| 82 | 5.04.05 | Шайба | |
| 83 | 8.01.016 | Шайба |
Содержащиеся в справочниках-каталогах запасные части и детали не предлагаются к продаже, а носят исключительно информационный характер