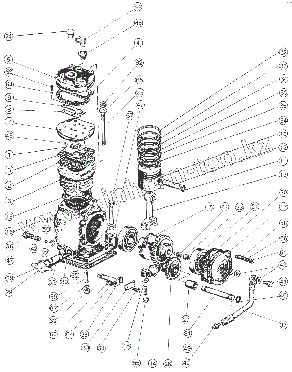
Каталог запасных частей к технике: ММЗ Д-245S2. Пневмокомпрессор и его установка
А29.05.170
А29.05.000
А29.01.250-А
А29.01.180
А29.01.200-А
1
2
3
4
5
6
7
8
9
10
11
12
13
14
15
16
17
18
19
20
21
22
23
24
25
26
27
28
29
30
31
32
32
33
34
34
35
36
37
38
39
40
41
42
43
44
45
46
47
47
48
49
50
51
52
53
54
55
56
57
58
59
60
61
62
63
64
64
65
66
67
| Позиция на иллюстрации | Заводской номер детали | Название детали | |
|---|---|---|---|
| А29.05.170 | А29.05.170 | Шатун | |
| А29.05.000 | А29.05.000 | Компрессор | |
| А29.01.250-А | А29.01.250-А | Валик управления | |
| А29.01.180 | А29.01.180 | Комплект поршневых колец | |
| А29.01.200-А | А29.01.200-А | Шестерня | |
| 1 | А29.05.001 | Клапан всасывающий | |
| 2 | А29.05.002 | Прокладка нижняя | |
| 3 | А29.05.003 | Прокладка верхняя | |
| 4 | А29.05.004 | Прокладка головки | |
| 5 | А29.05.005 | Головка цилиндра | |
| 6 | А29.05.006 | Цилиндр | |
| 7 | А29.05.041 | Плита | |
| 8 | А29.05.042 | Клапан нагнетательный | |
| 9 | А29.05.043 | Ограничитель | |
| 10 | А29.05.101 | Поршень | |
| 11 | А29.05.102 | Кольцо стопорное | |
| 12 | А29.05.103 | Палец поршневой | |
| 13 | А29.05.171 | Шатун | |
| 14 | А29.05.172 | Крышка шатуна | |
| 15 | А29.05.173 | Шайба стопорная | |
| 16 | А29.01.001 | Картер | |
| 17 | А29.01.003 | Крышка | |
| 18 | А29.01.004 | Вал коленчатый | |
| 19 | А29.01.006 | Прокладка цилиндра | |
| 20 | А29.01.009 | Прокладка | |
| 21 | А29.01.013 | Пружина | |
| 22 | А29.01.017 | Прокладка | |
| 23 | А29.01.019 | Уплотнитель крышки | |
| 24 | А29.01.021 | Пробка транспортная | |
| 25 | А29.01.023 | Шпилька | |
| 26 | А29.01.201-А | Шестерня | |
| 27 | А29.01.202-А | Втулка | |
| 28 | А29.01.251-А | Валик | |
| 29 | А29.01.252-А | Рычаг | |
| 30 | А29.01.253 | Палец | |
| 31 | А29.01.301 | Ось шестерни | |
| 32 | А27.02.03.007 | Кольцо компрессионное | |
| 33 | А27.02.03.008 | Кольцо компрессионное | |
| 34 | А27.12.40.509 | Сегмент | |
| 35 | А27.12.40.510 | Расширитель | |
| 36 | А27.12.40.511 | Расширитель | |
| 37 | 240-3509150 | Маслопровод | |
| 38 | 240-3509158 | Хомут | |
| 39 | 240-3509159 | Скоба | |
| 40 | 240-3509232 | Штуцер | |
| 41 | 240-3509233 | Болт штуцера | |
| 42 | 50-4604027-Б | Пружина 310 | |
| 43 | 36-1104788-01 | Прокладка | |
| 44 | 265-3509030 | Штуцер | |
| 45 | 245-8114002 | Пробка | |
| 46 | 014-018-25-2-1 | Кольцо | |
| 47 | 020-025-30-2-1 | Кольцо | |
| 48 | 2,5т6х12 | Штифт | |
| 49 | 4h8x28 | Штифт | |
| 50 | Шарик 8,0-100 | Шарик | |
| 51 | 207 | Подшипник | |
| 52 | 240-3509037-А | Прокладка | |
| 53 | M6-6gx10.88.35.016 | Болт | |
| 54 | M6-6gx16.88.35.016 | Болт | |
| 55 | M8-6gx35.109.40Х.05 | Болт | |
| 56 | M10-6gx20.66.019 | Болт | |
| 57 | M10-6gx45.88.35.016 | Болт | |
| 58 | 2M8x3р/6gx18.66.016 | Шпилька | |
| 59 | 2M10x3р/6gx28.66.016 | Шпилька | |
| 60 | М6-6Н.6.019 | Гайка | |
| 61 | М8-6Н.8.019 | Гайка | |
| 62 | М8х1.6н.8.45.056 | Гайка | |
| 63 | М10-6Н.6.019 | Гайка | |
| 64 | 6.65Г.06 | Шайба | |
| 65 | 8.04.05 | Шайба | |
| 66 | 8.65Г.06 | Шайба | |
| 67 | 10.65Г.06 | Шайба |
Содержащиеся в справочниках-каталогах запасные части и детали не предлагаются к продаже, а носят исключительно информационный характер