Каталог запасных частей к технике: ММЗ Д-245S2. Стартер АZJ
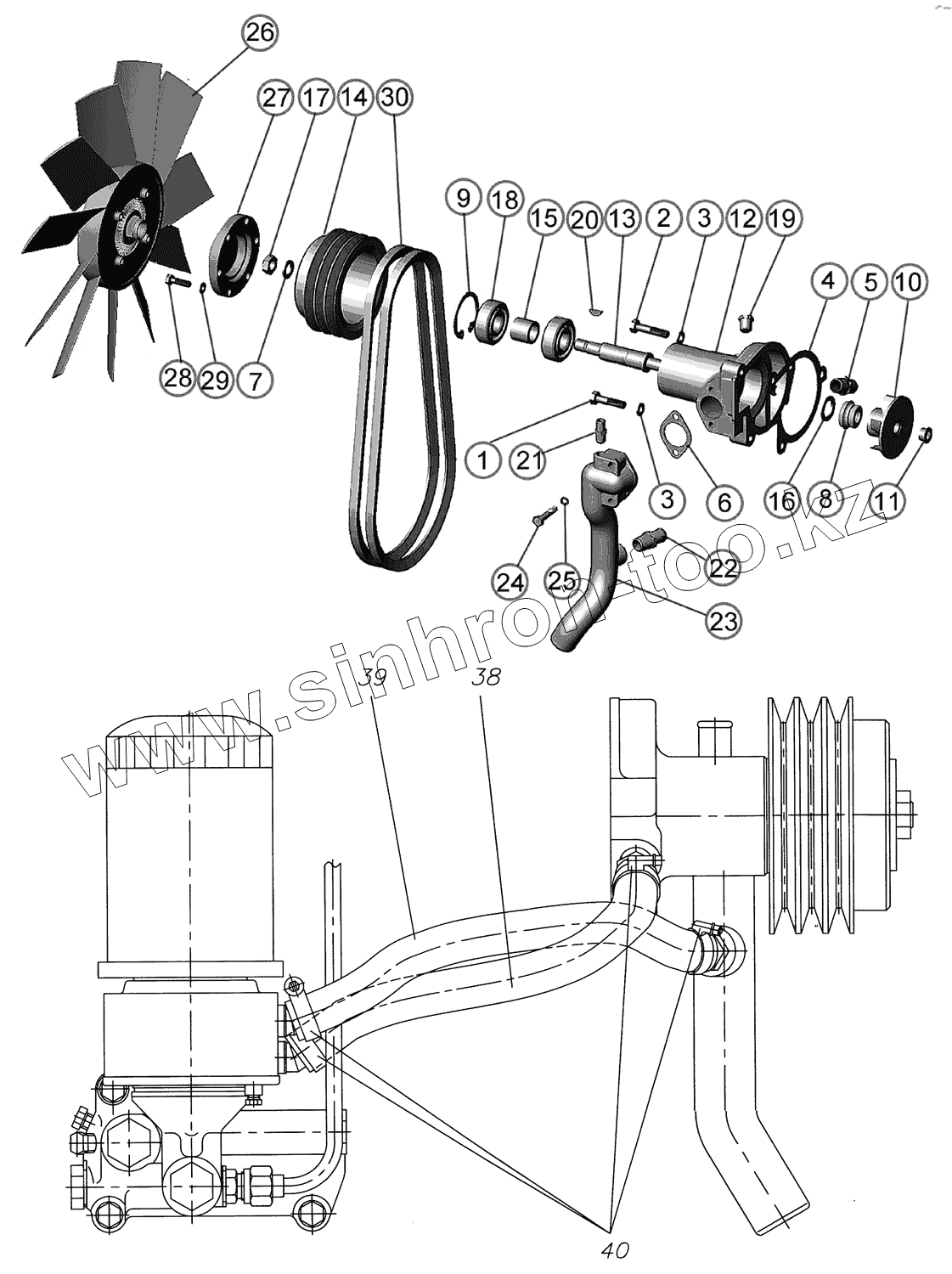
1
2
3
3
4
5
6
7
8
9
10
11
12
13
14
15
15
16
17
18
19
20
21
22
23
24
25
26
27
28
29
30
30
30
38
39
40
| Позиция на иллюстрации | Заводской номер детали | Название детали | |
|---|---|---|---|
| 245-1307060-02 | 245-1307060-02 | ПАТРУБОК ВОДЯНОГО НАСОСА | |
| 50-1307044-В | 50-1307044-В | ПАТРУБОК ВОДЯНОГО НАСОСА | |
| 245-1308000-И | 245-1308000-И | Установка муфты вентилятора | |
| 245-1307000-10 | 245-1307000-10 | Установка водяного насоса | |
| 245-1307012-А1-10 | 245-1307012-А1-10 | Насос водяной | |
| 245-1307010-А1-11 | 245-1307010-А1-11 | Насос водяной | |
| 1 | М10-6gХ 45.88.35.016 | Болт | |
| 2 | М10-6gХ 50.88.35.016 | БОЛТ | |
| 3 | 1065Г06 | Шайба | |
| 4 | 50-1307048-Б | Прокладка | |
| 5 | 245-1306031 | ШТУЦЕР | |
| 6 | 50-1307049-А | Прокладка | |
| 7 | 50-1005161 | Шайба | |
| 8 | Sp/1341 | САЛЬНИК ВОДЯНОГО НАСОСА | |
| 9 | 240-1307064 | Кольцо стопорное | |
| 10 | 240-1307074-В | Крыльчатка | |
| 11 | 240-1307075 | Заглушка | |
| 12 | 245-1307025-01 | Корпус | |
| 13 | 245-1307052-Г | Вал | |
| 14 | 245-1307166 | Шкив водяного насоса | |
| 15 | 245-1307084-Б | ВТУЛКА | |
| 15 | 245-1307084 | Втулка | |
| 16 | 245-1307094 | Кольцо упорное | |
| 17 | М16Х1,5-6Н.9.016 | Гайка | |
| 18 | 1160305 | Подшипник шариковый | |
| 19 | А12.016 | Пробка | |
| 20 | 5Х7,5 | Шпонка | |
| 21 | 245-1306027 | Штуцер | |
| 22 | 245-1306031 | ШТУЦЕР | |
| 23 | 50-1307044-Б-01 | ПАТРУБОК ВОДЯНОГО НАСОСА | |
| 24 | М8-6gХ 45.88.35.016 | БОЛТ | |
| 25 | 50-1401067 | Шайба | |
| 26 | 20003301 | Вязкостная муфта | |
| 27 | 245-1308023 | ПРОСТАВКА МУФТЫ | |
| 28 | М8-6gХ 25.88.35.016 | Болт | |
| 29 | 8 65Г 06 | ШАЙБА | |
| 30 | 2КЛ.I-11Х10-1250 | Ремень | |
| 30 | AVX13-1250 | РЕМЕНЬ | |
| 30 | SPA-1250 | РЕМЕНЬ | |
| 38 | Рукав18х27-1,6 | Рукав | |
| 39 | Рукав18х27-1,6 | Рукав | |
| 40 | Хомут20-32 | Хомут |
Содержащиеся в справочниках-каталогах запасные части и детали не предлагаются к продаже, а носят исключительно информационный характер