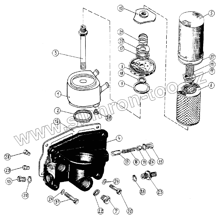
Каталог запасных частей к технике: ММЗ Д-245S2. Приемник масляного насоса и масляный насос
1
2
3
4
5
6
6
7
8
9
10
11
12
13
14
15
15
16
17
18
19
20
21
22
23
24
24
25
25
25
26
26
27
28
28
29
30
31
| Позиция на иллюстрации | Заводской номер детали | Название детали | |
|---|---|---|---|
| 245-1017015-В | 245-1017015-В | КОРПУС ФИЛЬТРА | |
| 245-1017010-В | 245-1017010-В | Фильтр масляный с ЖМТ | |
| 245-1017030 | 245-1017030 | Фильтр масляный | |
| 1 | 245-1017005 | ТЕПЛООБМЕННИК ЖИДКОСТНО-МАСЛЯНЫЙ | |
| 2 | 245-1017005-02 | Прокладка | |
| 3 | 245-1017012-Б | ШТУЦЕР | |
| 4 | 245-1017025 | Корпус фильтра | |
| 5 | 245-1017033 | Колпак | |
| 6 | 245-1047060 | Элемент фильтрующий | |
| 6 | 245-1017060 | Элемент фильтрующий | |
| 7 | 245-1017112 | ПРОБКА | |
| 8 | 260-1017032 | Дно | |
| 9 | 260-1017036 | Прокладка | |
| 10 | 260-1017040 | Прижим | |
| 11 | 260-1017050 | Клапан перепускной | |
| 12 | 50-1404068 | Прокладка | |
| 13 | 50-1404071-А | Клапан | |
| 14 | 50-1404072 | Пробка | |
| 15 | 50-1404075 | Пробка | |
| 16 | 50-1404083-А1 | Пружина | |
| 17 | 2105-1012009-ММЗ | Клапан антидренажный | |
| 18 | 2105-1012011-ММЗ | Гайка | |
| 19 | 2105-1012012-ММЗ | Пружина | |
| 20 | 2105-1012051-ММЗ | Шайба | |
| 21 | 2105-1012052-ММЗ | Пружина | |
| 22 | 240-1401168 | Шайба | |
| 23 | 245-1118015-Б | Штуцер | |
| 24 | 36-1104788-01 | Прокладка | |
| 25 | А23.10.002 | Кольцо | |
| 25 | Д18-055-А-01 | Кольцо уплотнительное | |
| 25 | Д18-055-А | Кольцо уплотнительное | |
| 26 | Д09-035-А | Прокладка | |
| 27 | 100-4-4-16 | Кольцо | |
| 28 | А12.016 | Пробка | |
| 29 | А12.016 | Пробка | |
| 30 | М10-6gх30.88.35.019 | Болт | |
| 31 | М10-6gх50.88.35.019 | Болт |
Содержащиеся в справочниках-каталогах запасные части и детали не предлагаются к продаже, а носят исключительно информационный характер