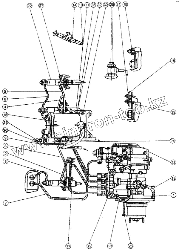
Каталог запасных частей к технике: ММЗ Д-245.9. Топливные трубопроводы и установка топливной аппаратуры
1
2
3
4
5
6
7
8
9
10
11
12
13
14
15
16
17
18
19
20
21
22
23
24
25
26
27
28
29
30
31
32
| Позиция на иллюстрации | Заводской номер детали | Название детали | |
|---|---|---|---|
| 1 | 260-3509232-01 | Штуцер | |
| 2 | 245-1104300-В | Трубка | |
| 3 | 245-1104300-В-01 | Трубка | |
| 4 | 245-1104300-В-02 | Трубка | |
| 5 | 245-1104300-В-03 | Трубка | |
| 6 | 245-1104320-А2 | Топливопровод дренажный | |
| 7 | 245-1104330-В | Трубка пневмокорректора | |
| 8 | 245-1104350-В | Трубка перепускная | |
| 9 | 245-1104360-Д | Трубка перепускная | |
| 10 | 245-1111020 | Прокладка-экран | |
| 11 | 245-1117060-А | Кронштейн | |
| 12 | 240-1104170 | Трубка топливная низкого давления | |
| 13 | 240-1104170-02 | Трубка топливная низкого давления | |
| 14 | 240-1111036-Б | Кольцо защитное | |
| 15 | 240-1111106 | Колодка | |
| 16 | 240-1111114 | Колодка | |
| 17 | 240-1111130 | Колодка | |
| 18 | 240-1117010-А | Фильтр топливный тонкой очистки | |
| 19 | 240-3509150 | Маслопровод | |
| 20 | 36-1104787 | Болт штуцера | |
| 21 | 36-1104788-01 | Прокладка | |
| 22 | 17.1120010-10 | Форсунка | |
| 23 | РР4М10Р1f3451 | Насос топливный | |
| 24 | Д-18-052 | Штуцер | |
| 25 | Д18-055-А-01 | Кольцо уплотнительное | |
| 26 | М10-6gх30.88.35.019 | Болт | |
| 27 | М10-6gх35.88.35.019 | Болт | |
| 28 | М10-6gх120.88.35.019 | Болт | |
| 29 | М6-6Н.6.019 | Гайка | |
| 30 | М10-6Н.6.019 | Гайка | |
| 31 | 6.65Г.06 | Шайба | |
| 32 | 10.65Г.06 | Шайба |
Содержащиеся в справочниках-каталогах запасные части и детали не предлагаются к продаже, а носят исключительно информационный характер