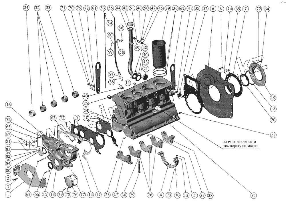
Каталог запасных частей к технике: ММЗ Д-245.7E3. Блок цилиндров. Установка передней опоры
245-1002010-Г
240-1001000-Б-02
245-1002009-Г
245-1002000-Г
1
2
3
4
5
6
7
8
9
10
11
12
13
14
15
16
17
18
19
20
21
22
23
24
25
26
27
28
29
30
31
32
33
34
35
36
37
38
39
39
40
41
42
43
44
45
46
47
48
49
50
50
51
52
53
54
55
56
57
58
59
60
61
62
63
64
65
66
67
68
69
70
70
71
72
72
72
72
73
74
75
76
77
78
79
80
81
82
83
84
| Позиция на иллюстрации | Заводской номер детали | Название детали | |
|---|---|---|---|
| 245-1002010-Г | 245-1002010-Г | БЛОК ЦИЛИНДРОВ | |
| 245-1002320-Г | 245-1002320-Г | Установка масломера | |
| 245-1006310-Г | 245-1006310-Г | Привод редуктора | |
| 240-3802000-А-05 | 240-3802000-А-05 | Установка привода и счетчика | |
| 245-1002080 | 245-1002080 | Установка маслозаливной горловины | |
| 240-1001000-Б-02 | 240-1001000-Б-02 | УСТАНОВКА ПЕРЕДНЕЙ ОПОРЫ | |
| 245-1002009-Г | 245-1002009-Г | БЛОК ЦИЛИНДРОВ | |
| 240-1002310 | 240-1002310 | Корпус сальника | |
| 240-1002310 | 240-1002310 | Корпус сальника | |
| 240-1002060-А1-01 | 240-1002060-А1-01 | Крышка распределения | |
| 245-1002000-Г | 245-1002000-Г | БЛОК ЦИЛИНДРОВ | |
| 50-1002040-В | 50-1002040-В | Опора масляного картера | |
| 1 | 240-1001015-Б-03 | ОПОРА ДВИГАТЕЛЯ ПЕРЕДНЯЯ | |
| 2 | M10-6gх25.88.35.016 | БОЛТ | |
| 3 | 10 65Г06 | Шайба | |
| 4 | 50-1002042-В | Опора картера | |
| 5 | 240-1002044 | Штифт | |
| 6 | 50-1002313-В-03 | Лист задний | |
| 7 | 50-1002316-А2 | Прокладка | |
| 8 | 50-1002340 | Фиксатор | |
| 9 | 240-1002030 | Щит | |
| 10 | 240-1002033 | Прокладка | |
| 11 | 240-1002046 | Штифт | |
| 12 | 240-1002049 | Прокладка | |
| 13 | 50-1002034 | Штифт установочный | |
| 14 | 240-1002044 | Штифт | |
| 15 | 240-1002055 | Манжета | |
| 16 | 240-1002065-АЗ | КРЫШКА РАСПРЕДЕЛЕНИЯ | |
| 17 | 240-1002064-А | Прокладка | |
| 18 | 240-1002311 | КОЛЬЦО МАСЛООТРАЖАТЕЛЬНОЕ | |
| 19 | 240-1002315 | КОРПУС САЛЬНИКА | |
| 20 | 240-1002305 | Манжета | |
| 21 | 240-1002328 | Заглушка | |
| 22 | 50-1005019 | Штифт | |
| 23 | 50-1002034 | Штифт установочный | |
| 24 | 50-1002326-В | Заглушка | |
| 25 | 50-1002327-А | Пробка | |
| 26 | 50-1005140-Б | Крышка коренного подшипника | |
| 27 | 50-1005141-Б | Крышка 1-го подшипника | |
| 28 | 50-1005152-В | Крышка 5-го подшипника | |
| 29 | 50-1005159-Б1 | Болт | |
| 30 | 50-1005161 | Шайба | |
| 31 | 240-1002015-А2-07 | БЛОК ЦИЛИНДРОВ | |
| 32 | 240-1002067-А | Втулка | |
| 33 | 240-1002068-A | ВТУЛКА ЗАДНЯЯ | |
| 34 | 240-1002069-А | Втулка | |
| 35 | 45-08КП.Ц9.ХР | Заглушка | |
| 36 | 245-1002022-А1 | Кольцо гильзы | |
| 37 | 245-1002051-Б 1 | ТРУБКА | |
| 38 | 245-1002323 | Штуцер | |
| 39 | И262-1002021-01 | ГИЛЬЗА БЛОКА ЦИЛИНДРОВ | |
| 39 | К262-1002021-01 | ГИЛЬЗА БЛОКА ЦИЛИНДРОВ | |
| 40 | ПС7-0 | Кран | |
| 41 | 245-1002048 | Штифт | |
| 42 | 50-1002290-Б-03 | Крышка маслозаливной горловины | |
| 43 | 240-1002082-А1 | Прокладка горловины | |
| 44 | 245-1002085 | Горловина маслозаливная | |
| 45 | 245-1002087 | Упор | |
| 46 | 50-1401067 | Шайба | |
| 47 | M8-6H.6.016(S13) | ГАЙКА | |
| 48 | M8-6gX20.88.35.016 | БОЛТ | |
| 49 | M12-6gX20.88.35.016 | БОЛТ | |
| 50 | 8 65Г06 | ШАЙБА | |
| 51 | 12 65Г06 | ШАЙБА | |
| 52 | 245-1002314 | ПРОКЛАДКА ЛИСТА ЗАДНЕГО | |
| 53 | 245-1002315 | Указатель уровня масла | |
| 54 | 50-4609038 | Кольцо уплотнительное | |
| 55 | 245-1002325 | Трубка указателя уровня масла | |
| 56 | 245-1002330-Г | Планка | |
| 57 | 245-1002333 | Прокладка | |
| 58 | 245-1118052 | Хомут | |
| 59 | M6-6H.6.016(S10) | ГАЙКА | |
| 60 | 6 65Г06 | ШАЙБА | |
| 61 | 245-1002361-Г | СЕРЬГА | |
| 62 | 245-1002362-Г | СЕРЬГА ЗАДНЯЯ | |
| 63 | M10-6gX20.88.35.016 | Болт | |
| 64 | M10-6gX25.88.35.016 | БОЛТ | |
| 65 | M10-6gX30.88.35.016 | БОЛТ | |
| 66 | M10-6gX45.88.35.016 | БОЛТ | |
| 67 | M10-6gX60.88.35.016 | БОЛТ | |
| 68 | M10-6gX75.88.35.016 | БОЛТ | |
| 69 | M12-6gX30.88.35.016 | БОЛТ | |
| 70 | M12-6gX25.88.35.016 | БОЛТ | |
| 71 | M12-6gX35.88.35.016 | Болт | |
| 72 | M16-6gX30.88.35.016 | БОЛТ | |
| 73 | 10 65Г 06 | ШАЙБА | |
| 74 | 12 65Г06 | ШАЙБА | |
| 75 | 12ОТ65Г06 | ШАЙБА | |
| 76 | 16 ОТ 65Г 06 | ШАЙБА | |
| 77 | 245-1002036 | Крышка | |
| 78 | 240-1002038 | Прокладка | |
| 79 | 50-1022067 | Кольцо уплотнительное | |
| 80 | M8-6gх30.88.35.016 | БОЛТ | |
| 81 | 240-1002062 | Крышка | |
| 82 | 50-1021012 | Прокладка | |
| 83 | M6-6gх16.88.35.016 | БОЛТ | |
| 84 | 6.01.08кп.016 | Шайба | |
| 85 | 6 65Г 06 | ШАЙБА |
Содержащиеся в справочниках-каталогах запасные части и детали не предлагаются к продаже, а носят исключительно информационный характер